Компрессор предназначен для получения сжатого воздуха и подачи его в ресиверы пневмосистемы автогрейдера ДЗ-98.
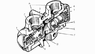
На грейдерах компрессор установлен на кронштейне 5 (рис.35) редуктора 10 привода гидронасосов.

Рис.35. Установка компрессора ДЗ-98
1- компрессор; 2- клиновой ремень; 3- болт; 4-винт; 5,6- кронштейны; 7- пята; 8- специальный болт; 9- гайка; 10 -редуктор привода гидронасосов
Привод компрессора осуществляется от редуктора клиновым ремнем 2. Для натяжения ремня необходимо ослабить затяжку болта 3, винта 4 и гайки 9.
Вращением специального болта 8 обеспечить требуемое натяжение ремня. Оно должно быть таким, чтобы стрела прогиба ремня была в пределах 15-20 мм, при нажатии на середину ветви с силой (70-100) Н (7-10 кгс).
Предохранитель против замерзания предназначен для защиты трубопроводов и приборов пневмосистемы ДЗ-98 от замерзания.
В качестве рабочей жидкости используется технический этиловый спирт ГОСТ 17299.
Этиловый спирт заливается в предохранитель против замерзания в объеме 0,2 л, если температура окружающего воздуха опускается ниже 5°С.
Включение и отключение предохранителя против замерзания проводить изменением положения рукоятки 1 (рис.36).

Рис.36. Предохранитель автогрейдера ДЗ-98 против замерзания
а) включен; б) выключен, 1- рукоятка
Регулятор давления с предохранительным клапаном устанавливается в нагнетательном тракте компрессора ДЗ-98 и предназначен для поддержания в системе давления сжатого воздуха в пределах 0,62…0,735 МПа (6,2…7,35 кгс/см2) путем периодической разгрузки компрессора в атмосферу.
Предохранительный клапан в случае отказа регулятора давления обеспечивает перепуск воздуха в атмосферу при достижении в системе давления 0,85 МПа (8,5 кгс/см 2).

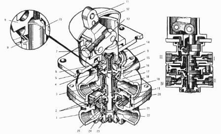
Рис.37. Регулятор давления с предохранительным клапаном автогрейдера ДЗ-98
1,9- обратные клапаны; 2,6,12.13- пружины; 3- шток; 4- поршень; 5,16- регулировочные болты: 7-предокранительный клапан; 8- корпус клапана; 10- корпус регулятора; 11- контргайка; 14-диафрагма; 15- крышка
Регулятор давления с предохранительным клапаном автогрейдера ДЗ-98 состоит из корпуса 10 (рис.37), в котором расположены:
Разгрузочное устройство, включающее в себя поршень 4 со штоком 3, пружину 2 и обратный клапан 1;
Регулировочное устройство, состоящее из диафрагмы 14, пружин 13 и регулировочного болта 16;
Предохранительное устройство, включающее в себя клапан 7, пружину 6, регулировочный болт 5.
Из компрессора сжатый воздух поступает в полость D, открывает обратный клапан 9 и попадает в полость Е, связанную с воздушными ресиверами.
При увеличении давления воздуха в полости Е до 0,69…0,735 МПа (6,9…7,35 кгс/см2) сжатый воздух, преодолевая сопротивление пружин 12, 13, отжимает диафрагму 14 от седла и попадает через каналы в корпусе регулятора в надпоршневую полость В разгрузочного устройства.
Сжатый воздух, действуя на поршень 4 со штоком 3, перемещает его вниз и открывает обратный клапан 1.
При этом сжатый воздух из полости D через полость С и штуцер уходит в атмосферу.
При падении давления воздуха в полости D обратный клапан 9 закрывается и препятствует выпуску воздуха из ресивера в атмосферу.
При падении давления в полости Е до 0,62 МПа (6,2 кгс/см2) диафрагма 14 под действием пружин 13 садится на седло, прекращая поступление воздуха в полость В.
Воздух, находящийся в полости В, через дроссельное отверстие в поршне 4 выходит в атмосферу.
Поршень 4 под действием обратной пружины 2 возвращается в первоначальное положение, при этом обратный клапан 1 садится на седло и прекращается поступление сжатого воздуха из полости D в атмосферу.
Компрессор начинает нагнетать сжатый воздух в полость Е.
В случае отказа регулятора давления при давлении в полости Е выше 0,83 МПа (8,3 кгс/см2)предохранительный клапан 7 открывается и выпускает избыток воздуха в атмосферу через боковые отверстия в корпусе 8 клапана.
Давление срабатывания регулятора давления 0,69…0,735 МПа (6,9…7,35 кгс/см2) при необходимости настраивать регулировочным болтом 16.
Давление срабатывания предохранительного клапана 0,85 МПа (8,5 кгс/см2) при необходимости настраивать регулировочным болтом 5.
Двойной защитный клапан предназначен для отключения поврежденного контура с целью сохранения давления в другом контуре.

Рис.38. Двойной защитный клапан пневматической системы автогрейдера ДЗ-98
1- пробка; 2- малый поршень; 3- корпус; 4,5- крышки; 6- пружина; 7- большой поршень; 8- клапан
Двойной защитный клапан грейдера ДЗ-98 состоит из корпуса 3 (рис. 38), двух крышек 5 корпуса, большого поршня 7, двух малых поршней 2, двух клапанов 8, двух пробок 1 и пружин большого и малого поршней.
В корпусе имеются три резьбовых отверстия для подсоединения штуцеров пневмосистемы: отверстие В для подсоединения подводящего штуцера и два отверстия А для подсоединения штуцеров питаемых контуров.
Во внутреннюю цилиндрическую полость корпуса клапана пневмосистемы автогрейдера устанавливается большой поршень 7, выполняющий роль золотника, с двумя клапанами 8.
Поршень под действием двух пружин 6 при заворачивании крышек 5 занимает нейтральное положение.
Клапаны 8 при установке малых поршней 2 под действием пружин прижимаются к седлам, образуемым торцами поршня.
Малые поршни 2 перемещаются в цилиндрических отверстиях крышек 5.
При установке резьбовых пробок 1 в крышки, поршни под действием пружин своими торцами прижимаются к торцам крышек и занимают фиксированное положение.
Для регулировки начала срабатывания клапанов при повреждении одного из контуров под пружины подложены регулировочные прокладки.
В пробках 1 предусмотрены отверстия для сообщения полости под малым поршнем с атмосферой при его перемещении.
В исходном положении большой поршень 7 под действием пружин 6 занимает нейтральное положение, клапаны 8 пружины прижаты к седлам, малые поршни 2 под действием пружин прижаты к торцам крышек.
При подаче воздуха от компрессора к входному отверстию В сжатый воздух через отверстие в большом поршне 7 воздействует на клапаны 8, отжимает их от седел до упора в малый поршень 2, сжимает пружину и поступает через выходные отверстия А в ресиверы отдельных контуров.
При повреждении одного из контуров давление в этом контуре падает, большой поршень 7 под действием разности давлений перемещается в сторону поврежденного контура и своим седлом упирается в клапан 8, разобщая при этом отверстие В с поврежденным контуром.
Пружина 6 поршня 7 со стороны поврежденного контура сжимается. Клапан второго контура остается открытым и воздух поступает в неповрежденный контур.
Двойной защитный клапан при одном неисправном контуре поддерживает давление сжатого воздуха в исправном контуре в пределах 0,52…0,55 МПа (5,2…5,5 кгс/см2).
При давлении выше 0,55 МПа (5,5 кгс/см2) пружина под действием клапана 8 сжимается, клапан отрывается от седла и часть воздуха уходит в поврежденный контур.
После устранения негерметичности поврежденный контур пневматической системы автогрейдера ДЗ-98 постепенно заполняется сжатым воздухом, давление в контурах выравнивается, большой поршень 7 под действием сжатой пружины 6 занимает среднее положение, и сжатый воздух вновь продолжает поступать от входного отверстия В через выходные отверстия А в ресиверы.
Одинарный защитный клапан предназначен для изолирования контуров тормозной системы от контура дополнительных потребителей (защелка тяговой рамы) при давлении воздуха в ресивере менее 0,55 МПа (5,5 кгс/см2).

Рис.39. Одинарный защитный клапан автогрейдера ДЗ-98
1- прокладка; 2- крышка; 3,5- пружины; 4- регулировочный винт; 6- малый поршень; 7- диафрагма; 8- корпус; 9- клапан
Одинарный защитный клапан состоит из корпуса 8 (рис.39), крышки 2, пружин 3 и 5, поршня б, диафрагмы 7, обратного клапана 9 и регулировочного винта 4.
Полость В клапана соединена с ресивером. Полость А соединена с магистралью защелки.
При подаче давления в полость В сжатый воздух через канал поступает под диафрагму 7.
При давлении выше 0,55…0,555 МПа (5,5…5,55 кгс/ см2) диафрагма, преодолевая усилие затяжки пружин, вместе с поршнем 6 приподнимается и сжатый воздух через канал проходит в полость А, отжимая при этом обратный клапан 9 и далее к потребителям.
При давлении сжатого воздуха в ресивере ниже 0,55 МПа (5,5 кгс/см2) поршень под действием пружин перемещается вниз, прижимая диафрагму 7 к центральному перепускному каналу, который закрывается, разобщая полости 8 и А.
Обратный клапан 9 прижимается к седлу в корпусе. Обратный клапан препятствует перетеканию воздуха из полости А в полость В. Давление срабатывания клапана регулируется винтом 4.
Тормозной кран автогрейдера ДЗ-98
Двухсекционный тормозной кран предназначен для управления исполнительными механизмами рабочих тормозов автогрейдера.
Тормозной кран ДЗ-98 имеет две независимые секции, расположенные последовательно, питающиеся от ресиверов раздельных контуров.

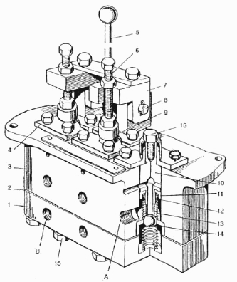
Рис.40. Тормозной кран автогрейдера ДЗ-98
1- нижний корпус; 2- у плотни тельное кольцо; 3,16,21,25- пружины; 4- винт; 5- опорная плита; 6-тарелка пружины; 7- ось рычага; 8- верхний клапан; 9- уравновешивающий элемент; 10- шток; 11-рычаг; 12- уплотнитель; 13- ролик; 14- толкатель; 15- верхний поршень; 17- верхний корпус; 18-верхний клапан;
19- большой поршень; 20- малый поршень; 22- опорное кольцо; 23- выпускное окно; 24- нижний клапан
Тормозной кран ДЗ-98 состоит из верхнего 17 (рис.40) и нижнего 1 корпусов, соединенных четырьмя болтами, опорной плиты 5, оси 7 с рычагом 11, верхнего 8 и нижнего 24 клапанов, верхнего 15, большого 19 и малого 20 поршней, уравновешивающего элемента 9, пружин клапанов и пружин поршней, а также уплотнительных колец.
Выводы I и II верхнего и нижнего корпусов соединены с ресивером, а выводы III и IV через промежуточные пневмоаппараты — с тормозными цилиндрами.
В исходном положении (педаль тормоза отпущена) тормозной кран через отверстия в выпускном окне 23 соединяет с атмосферой через выводы III и IV пневматические полости тормозных цилиндров.
При этом верхний поршень 15 под действием пружины 16 занимает крайнее верхнее положение, выпускное окно клапана открыто — вывод III сообщен с атмосферой.
Верхний клапан 8 под действием пружины 3 прижат к седлу верхнего корпуса, вывод I разобщен с выводом III.
Большой поршень 19 и малый поршень 20 под действием пружины 21 находятся в крайнем верхнем положении, выпускное окно нижнего клапана 24 открыто, вывод IV сообщен с атмосферой.
Нижний клапан 24 пружиной 25 прижат к седлу нижнего корпуса, вывод II разобщен с выводом IV.
При нажатии на педаль тормоза рычаг 11 поворачивается на своей оси 7, роликом 13 давит на толкатель 14, который через тарелку 6 пружины сжимает уравновешивающий элемент 9 и перемещает верхний поршень 15 вниз.
Поршень, перемещаясь вниз, сжимает пружину 16, закрывает выпускное окно, разобщая вывод III с атмосферой, и отрывает клапан 8 от седла.
Сжатый воздух, подводимый к выводу I, через открытый клапан поступает к выводу III и далее к колесным тормозам заднего моста автогрейдера до тех пор, пока сила нажатия на рычаг не уравновесится давлением воздуха на поршень 15 (следящее действие).
Одновременно сжатый воздух через отверстие в выводе III подается в надпоршневое пространство большого поршня 19.
Поршень, имеющий большую поверхность, перемещается вниз при небольшом давлении в надпоршневом пространстве, перемещает малый поршень 20, сжимая при этом пружину 21.
Малый поршень закрывает выпускное окно, разобщая вывод IV с атмосферой, и отрывает клапан 24 от седла.
Сжатый воздух, подводимый к выводу II через открытый клапан, поступает к выводу IV и далее к колесным тормозам среднего моста автогрейдера.
Сжатый воздух, находящийся под поршнями 19 и 20, уравновешивает силу, действующую на поршень 19 сверху таким образом, что в полости IV устанавливается давление, соответствующее усилию нажатия на рычаг (следящее действие).
Размер поршней и пружина 21 подобраны так, что давление в выводах III и IV в зависимости от усилия на рычаге практически одинаково.
При промежуточных положениях рычага нижняя секция управляется пневматически.
При крайнем положении рычага или в случае повреждения контура верхней секции верхний поршень, перемещаясь вниз, винтом 4 воздействует на шток 10 малого поршня 20, перемещая его.
Малый поршень, в свою очередь, закрывает выпускное окно и открывает клапан 24.
При снятии усилия с рычага верхний поршень под действием пружины 16 перемещается вверх, клапан 8 под действием пружины прижимается к седлу, а поршень, продолжая перемещаться, открывает выпускное окно и сообщает вывод III с атмосферой.
Давление в надпоршневом пространстве большого поршня 19 падает, поршни 19 и 20 вследствие разности давлений и воздействия пружины 21 перемещаются вверх, клапан 24 прижимается к седлу, выпускное окно открывается, и вывод IV сообщается с атмосферой.
При механическом воздействии на малый поршень 20 оттормаживание нижней секции происходит при снятии усилия на штоке 10 аналогичным путем.
Пневмораспределитель автогрейдера ДЗ-98
Пневмораспределитель ДЗ-98 предназначен для подачи сжатого воздуха к тормозам при аварийном торможении, а также для подачи воздуха к защелке рычага подвески тяговой рамы.

Рис.41. Пневмораспределитель автогрейдера ДЗ-98
1- поддон; 2- прокладка; 3- корпус; 4- крышка; 5- рукоятка; 6- регулировочный винт; 7- кронштейн; 8- ось; 9-ограничитель; 10- золотник; 11- манжета; 12- гайка; 13- пружина; 14- шарик; 15- болт крепления поддона; 16- кнопка управления поршень-защелкой
Пневмораспределитель (рис.41) имеет три раздельные секции. Две секции используются для аварийного торможения. Они управляются одной рукояткой 5.
Секции запитаны от разных ресиверов. Третья секция предназначена для подачи сжатого воздуха к защелке рычага механизма подвески тяговой рамы. Она запитана от ресивера через одинарный защитный клапан, имеет ножное управление.
Пневмораспределитель состоит из корпуса 3 и поддона 1. В каждую секцию входят ограничитель 9, крышка 4, золотник 10, пружины 13 и шарик 14.
Полости В соединяются с ресивером. Полости А — с магистралями, идущими к тормозам и защелке рычага подвески тяговой рамы.
В исходном положении полости А соединены с атмосферой через полый золотник 10 и отверстия в корпусе 3.
При нажатии на специальную кнопку 16 или при перемещении рукоятки 5 на себя золотник 10 перемещается вниз, преодолевая усилие пружины 13, и своим седлом садится на шарик 14, разъединяя полость А с атмосферой.
При дальнейшем перемещении золотника происходит отрыв шарика 14 от седла стакана, полость А соединяется с полостью В и сжатый воздух из ресивера поступает к тормозам или к защелке рычага подвески тяговой рамы.
При снятии усилия с рукоятки 5 или специальной кнопки 16 золотник 10 под действием пружины 13 перемещается вверх, при этом шарик 14 садится в седло стакана, разъединяя полости В и А.
При дальнейшем перемещении седло золотника 10 отходит от шарика 14, при этом полости А соединяются с атмосферой.
Двухмагистральный клапан автогрейдера предназначен для управления одной магистралью из двух по выбору.
Клапан соединяет рабочий и аварийный приводы тормозов и может управляться либо от тормозного крана, либо от пневмораспределителя аварийного торможения.
Внутри клапана установлена мембрана, разделяющая магистрали тормозного крана и пневмораспределителя.
При подводе сжатого воздуха к одному из двух входов клапана, мембрана перекрывает противоположный вход. Это препятствует стравливанию воздуха при неисправности одного из контуров.
