- Органы управления и приборы
- Как устранить проблемы в работе КПП МТЗ-82
- Органы управления отдельными узлами трактора
- Управление трактором и ходовая часть
- Устройство навесного инвентаря
- Регулировка сцепления
- Из чего состоит трактор МТЗ 80
- Этапы запуска трактора МТЗ 80 с пускача
- Подготовка трактора
- Запуск пускового двигателя
- Передача вращения от ПД 10 на дизель трактора
- Управление гидросистемой и навеской трактора МТЗ-82
- Силовое регулирование
- Правила и приемы работы
- Особенности эксплуатации
- Позиционное регулирование
- Правила и приемы работы
- Технические характеристики
- Контролируем параметры
- Как управлять трактором
- Конструкция мотора трактора
- Обзор превыше всего
- Рычаги управления ВОМ
- Коробка передач (кпп) трактора МТЗ 82: схема переключения передачи и устройство
- Рычаги гидравлики и силового регулятора
- Кабина и интерьер агрегата
Органы управления и приборы

Рис. 3а.
1 — рукоятка останова и аварийного останова дизеля. При вытягивании рукоятки на себя прекращается подача топлива в цилиндры и дизель глохнет. При отпускании рукоятка под воздействием пружины возвращается в исходное положение.
2 — рукоятка управления краном отопителя кабины (если установлена).
3 — рукоятка управления блокировкой дифференциала (для тракторов с корпусом ГУР); имеет три положения:
- I «блокировка выключена»,
- II «автоматическое блокирование»,
- III «принудительное блокирование».
4 — маховичок управления шторкой водяного радиатора. При вращении маховичка по часовой стрелке шторка поднимается, при вращении против часовой стрелки — опускается. При опускании шторки температурный режим дизеля понижается.
5 — педаль включения блокировки дифференциала заднего моста. При нажатии на педаль до упора блокировка включается, при снятии ноги с педали — выключается.
6 — переключатель средств облегчения пуска (ЭФП).
7 — переключатель стеклоомывателя.
8 — переключатель света. Имеет два положения: I — включена подсветка приборов, габаритные огни; II — дополнительно к положению I включены дорожные фары.
9 — выключатель аварийной сигнализации.
17 — переключатель указателей поворотов, ближнего и дальнего света, звукового сигнала.
19 — радиоприемник (по заказу).
20 — крышка механизма регулировки положения рулевого колеса по высоте. Для изменения высоты снимите крышку, отверните на 3-5 оборотов гайку-барашек и установите требуемую высоту положения рулевого колеса.
21 — выключатель стеклоочистителя переднего стекла.
22 — выключатель вентилятора отопителя кабины.
23 — выключатель задних рабочих фар.
24 — выключатель передних рабочих фар.
24а — выключатель знака «Автопоезд».
25 — плафон кабины с выключателем.
26 — воздухораспределитель системы вентиляции и отопления кабины.

Рис. 3б.
Важно! Прежде чем приступить к работе на тракторе, изучите назначение органов управления, приборов и их функции.
27, 28, 29 — рычаги управления распределителем гидросистемы: 27 — левыми боковыми выводами; 28 — правыми боковыми выводами; 29 — задними выводами. Если трактор не имеет силового регулятора, то рычаг 29 управляет цилиндром навесного устройства, а рычаг 27 — левыми боковыми и сдублированными с ним задними выводами.
Схема подключения выводов гидросистемы приведена в инструкционной табличке в кабине трактора (см. рис. 4.1). Каждый рычаг имеет 4 положения «плавающее», «принудительное опускание», «нейтраль», «подъем». В положении «принудительное опускание» при работающем двигателе рычаг следует удерживать рукой.
Рис. 4.1.
30 — пульт управления тахоспидометром (см. рис. 9.2).
31 — выключатель стартера и при боров. Имеет три положения (от нейтрали):
- I — питание приборов;
- II — включение стартера;
- положение против часовой стрелки от нейтрали — включен радиоприемник.
32 — рычаг включения понижающего редуктора. Имеет два положения: переднее — «Редуктор включен» (замедленное движение трактора) и заднее — «Редуктор выключен» (ускоренное движение трактора).
В тракторе с синхронизированным понижающим редуктором рычаг 32 управления имеет два положения: заднее — «Редуктор включен» (замедленное движение трактора) и переднее — «Редуктор выключен» (ускоренное движение трактора).
В тракторе с синхронизированным реверс-редуктором рычаг управления 32а (рис. 4.1.1) (в отличие от рычага 32 изогнут влево по ходу трактора) имеет два положения: заднее — «Реверс включен» и переднее — «Реверс выключен» (передний ход).

Рис. 4.1.1.
33 — соединительная планка тормозных педалей для одновременного торможения правым и левым тормозами.
34 — педаль управления подачей топлива.
35, 36 — педали тормозов. При нажатии ногой на педали трактор затормаживается; одновременно от педали 35 срабатывает тормозной кран пневмопривода тормозов прицепа. 37 — рукоятка фиксации наклона рулевой колонки.
38— педаль управления муфтой сцепления.
39 — рычаг переключения передач. При перемещении рычага вперед в крайнем левом положении включается II-й (повышенный) диапазон передач, назад — 1-й (пониженный). Переключение передач производится в соответствии со схемой (рис. 4.2.).

Рис. 4.2.
40 — рычаг управления механизмом фиксации навесного устройства. Крайнее левое положение рычага — «навеска зафиксирована», крайнее правое — «фиксация снята». Предварительно необходимо поднять навеску в верхнее положение.
41 — рычаг управления раздаточной коробкой привода ПВМ. Среднее положение рычага— «ПВМ включается автоматически», нижнее (от себя) — «ПВМ выключен», верхнее (на себя) — «ПВМ включен принудительно».
42 — рычаг управления стояночным тормозом.
43 — фиксатор рукоятки управления силовым регулятором.
44 — рукоятка управления подачей топлива. Крайнее переднее положение — максимальная подача топлива, крайнее заднее — минимальная подача, соответствующая минимальным оборотам холостого хода.
45 — рукоятка управления силовым регулятором. Крайнее заднее положение рукоятки — «подъем орудия» (при подъеме рукоятку удерживать рукой); после отпускания рукоятки она перемещается вперед и фиксируется в положении «транспортная нейтраль». Промежуточное положение вперед от положения «транспортная нейтраль» — «зона регулирования». Крайнее переднее положение рукоятки — «принудительное опускание» (рукоятку удерживать рукой). После отпускания рукоятки она возвращается назад и фиксируется на переднем крае зоны регулирования.
46 — рычаг управления задним ВОМ.
Имеет два положения: переднее — «ВОМ выключен», заднее — «ВОМ включен».
47 — выключатель «массы» аккумуляторных батарей.
48 — фиксатор наклона спинки сиденья.
49 — болт крепления ремня безопасности
Как устранить проблемы в работе КПП МТЗ-82
Несмотря на тот факт, что коробка передач белорусских тракторов считается одной из самых надежных, она не застрахована от возможных поломок. Как говорилось ранее, детали постоянно трутся друг об друга, из-за чего КПП постоянно нужно оказывать должный уход и добавлять масла. Если же требования производителя не выполняются, водитель трактора может столкнуться с рядом проблем.

Скрип при смене скоростного режима может говорить о том, что диски сцепления пришли в негодность, или сцепление шестеренок КПП отрегулировано неверно. В таком случае потребуется снять КПП и выполнить ремонт коробки передач МТЗ-80, а сломанные детали необходимо будет заменить. Если эти действия не помогли, нужно проверить пружину, установленную в части управления кулачками. Длина пружины должна быть не более 32 мм при условии наибольшего сжатия. Такую проверку можно совершить своими руками.
Необходимо знать, что зазор в накладках тормозного диска должен составлять 1,5 мм, не больше. Зазор вилки включения и цапфа отводки не должны быть больше 2,2 мм. Когда эти зазоры больше по размерам, трактор придется сдать в ремонт, детали заменить.
Люфт рычага смены скоростей невозможно не заметить, так как он влечет за собой подключение скоростей самопроизвольно или их выключение не до конца. Это значит, что вилкам переключения недостаточно усилия. Такой же эффект могут вызывать пружинные фиксаторы с неполным натяжением. В этом случае снимите КПП МТЗ-80, полностью проверьте все детали, добавьте масла и соберите коробку.
Разберите коробку МТЗ и уделите особое внимание щечкам вилок переключения, а также зазору между переключающими планками. Не стоит забывать и о ширине зева. Если хотя бы 1 деталь вышла из строя, ее придется менять: такие элементы ремонту не подлежат.
Органы управления отдельными узлами трактора
Включение гидравлического насоса гидросистемы осуществляется поводком находящейся с правой стороны трактора в верхней части корпуса промежуточной части трансмиссии. Положение поводка вверх соответствует включённому, вниз – выключенному положению.
Управление шторкой радиатора двигателя осуществляется рукояткой 4, размещённой в кабине на панели управления с левой стороны.
С левой стороны трактора при установленном пусковом двигателе размещёна рукоятка включения муфты бендекса для ввода в зацепление с маховиком дизеля. Этот рычаг может быть для удобства выведен тягой в кабину водителя.
Управление трактором и ходовая часть
Передний мост у трактора полужесткий, балансирного типа и повторяет все неровности дороги при езде, независимо от положения каркаса и заднего моста машины. Задний мост жесткий, колеса закреплены при помощи клеммовых соединений к ведущим осям. Благодаря этому водитель может сразу установить нужную для работы колею, выбирая показатель в диапазоне от 140 до 210 см. Ширина передней колеи регулируется постепенно с шагом в 10 см.

Трактор оснащен дисковыми тормозами с отдельной схемой электрической. Такое устройство тормозов делает их независимыми от общей конструкции трактора. Поэтому, если что-то в общей схеме трактора выходит из строя, тормоза продолжают выполнять свою функцию.
МТЗ-80 снабжается рулевым управлением с гидравлическим усилителем. Работает этот механизм по тому же принципу, что и ГУР на любом автомобиле: в масляном насосе создается давление, после чего гидроусилитель направляет нужное количество масла к гидравлическому цилиндру.
Устройство навесного инвентаря
Трактор оснащен трехточечной конструкцией задней навески, изготовленной по классической схеме. Устройство состоит из 1 центральной, двух продольных тяг, раскосов и силового цилиндра, поднимающего и опускающего навесное оборудование.

Для управления инвентарем машина оборудуется раздельно-агрегатным гидравлическим устройством, которое состоит из таких деталей:
- Масляного насоса шестеренчатого типа;
- Привода от мотора;
- Гидрораспределителя с тремя секциями;
- 2 или 3 цилиндров.
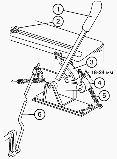
Регулировка сцепления
Ее стоит осуществлять, опираясь на схему. Регулировка состоит из нескольких этапов:
- Начинаем регулировку со свободного хода педали управления муфты.
- Регулируем длину блокировочной тяги тормозка.
- Регулируем отжимные рычаги сцепления.

Если у вас сохранились все документы на трактор, то и обязательно есть инструкция по эксплуатации. В этом документе расписаны подробно все детали по ремонту и не только. Там вы сможете найти информацию как завести трактор с пускача, из каких этапов состоит подготовка к работе, как осуществить ремонт ходовой части и других механизмов.
Из чего состоит трактор МТЗ 80
Начнем с двигателя. Итак, эту машину оснастили высококачественным мощным движком полуразделенной камерой сгорания. Также на отдельные части мотора были установлены предпусковые подогреватели. Запуск двигателя осуществляется с помощью электростартера. Система охлаждения трактора – жидкостная. Также такая модель оснащена генератором.
Трансмиссия трактора – механическая. Что касается муфты сцепления, то она как у многих подобных агрегатов однодисковая, сухая и постоянно замкнутая. Коробка передач МТЗ 80 девятиступенчатая и оснащена понижающим редуктором. К тому же установка ходоуменшителя допускается опционально. На некоторых тракторах можно встретить гидроуправляемую коробку передач, которая может переключаться под нагрузкой. Задний мост оснащен дифференциалом с блокировкой.
Ходовая часть данного агрегата выглядит следующим образом. Задние колеса имеют жесткую подвеску, а передние – полужесткую. Задние колеса крепятся клеммовыми соединениями на ведущих осях. Такая их конструкция позволяет изменять ширину колеи (1400 – 2100 мм). К тому же колея на передних колесах также регулируется (1200 – 1800 мм). Повороты осуществляются с помощью управления передних колес. Также есть еще и гидроусилитель рулевого управления.
Для агрегата также характерна раздельно-агрегатная гидравлическая система.
Этапы запуска трактора МТЗ 80 с пускача
Для полного представления описываем наиболее сложный процесс запуска дизеля трактора от пускового двигателя с использованием ручного троса.
Подготовка трактора
Перед запуском производится стандартный осмотр трактора: креплений корпусов трансмиссии, двигателя и затяжки ходовой, а также узлов всех систем. Для безопасного и успешного запуска производят следующие контрольные проверки и действия:
- Уровень жидкости в охлаждающей системе
- Уровень масла в картере дизеля
- Наличие дизельного топлива в баке
- Наличие бензина в бачке питания пускача
- Устанавливают трактор на стояночный тормоз
- ОЧЕНЬ ВАЖНО ДЛЯ БЕЗОПАСНОСТИ! Переводят рычаг переключения КПП в нейтральное положение или при наличии датчика блокировки пуска в соответствующее положение
- Для хорошего старта дизеля рычаг управления подачей топлива переводят на максимальную подачу
Запуск пускового двигателя
Учитывая упрощённую конструкцию глушителя и прямой выход выхлопных газов ПД 10 нужно быть морально готовым, что все действия при пуске вы будете выполнять в условиях грохота работы пускача.
- Движением общего рычага управления трансмиссии или отдельного рычага по правую сторону корпуса трансмиссии вводят в зацепление шестерню бендикса с маховиком дизеля
- Открывают кран для подачи бензина к карбюратору ПД 10,
- Усаживают узел на конце пускового троса в паз проточки и наматывают плотно, с натяжкой на маховик, с учётом того, что коленвал ПД 10 вращается по часовой стрелке. Наматывать трос можно двумя способами непосредственной намоткой троса на маховик или его вращением. Для нейтрализации сопротивления компрессии при намотке троса на маховик открывают декомпрессионный клапан на головке цилиндра пускача.
- Если пользовались клапаном — закрывают декомпрессор. Для создания стартового обогащения смеси, под действием разрежения воздуха в камере карбюратора, закрывают воздушную заслонку.
- Дополнительно для хорошего старта пускача, нажатием на утопитель диафрагмы карбюратора, принудительно подают порцию бензина в диффузор. Важно, чтобы порция была умеренной без залива свечи.
- Затем берут за рукоятку на конце троса двумя руками и на максимальной амплитуде замаха выдёргивают трос, предавая вращательный импульс маховику. При этом запрещается наматывать конец троса на руку и производить частичное выдёргивание. Холодный двигатель, естественно, с первой попытки может не завестись, для старта наматывают трос и повторяют попытку. Если двигатель не завёлся в результате перелива топлива – открывают клапан и производят продувку цилиндра, также вращая маховик с помощью троса.

Ручной старт пускача с помощью троса
Передача вращения от ПД 10 на дизель трактора
При удачном пуске двигателя, для стабилизации оборотов и прогрева даётся время на холостую работу: в тёплую погоду достаточно 10-15 секунд, в холодную до пол минуты.
- При работающем ПД 10 плавным движением рычага включают муфту, осуществляя передачу крутящего момента на маховик дизеля, созданного пускачем.
- После запуска двигателя трактора нажатием кнопки на корпусе магнето глушат пускач, прерывая подачу зажигания.
- После полной остановки маховика пускача перекрывают кран подачи бензина.
- Затем переводят подачу топлива на дизеле трактора в холостой режим.
Никаких манипуляций с рычагами управления трансмиссией ПД 10 после пуска дизеля проводить не нужно. Отключение муфты сцепления и бендикса осуществится автоматически при передаче обратной мощности запущенного дизеля на трансмиссию пускача. Муфта отключится за счёт срабатывания обгонной муфты, бендикс выйдет из зацепления за счёт срабатывания возвратной пружины при действии центробежных сил на грузы-защёлки бендикса.
Стартёрный запуск ПД-10 упрощает процедуру запуска, освобождая механизатора от процедуры пуска с помощью троса.
Управление гидросистемой и навеской трактора МТЗ-82
Управление гидросистемой и навесным устройством с использованием распределителя
На тракторах Беларус МТЗ-82 без силового регулятора управление навесным устройством осуществляется правым крайним рычагом распределителя.
Работая с навесными машинами, имеющими опорные колеса, используйте только положение рукояток «подъем» и «плавающее».
Устанавливать рукоятку в положение «опускание» при работе с навесными почвообрабатывающими машинами запрещается!
Пользуйтесь позицией «опускание» только при управлении выносными цилиндрами, установленными на машине и предназначенными для регулирования положений рабочих аппаратов (мотовило, хедер, сошники и т.д.) уборочных, посевных и других машин.
Если после окончания хода цилиндра рукоятка распределителя автоматически не возвращается в «нейтраль», выведите ее вручную. И, наоборот, при преждевременном возврате рукоятки придерживайте ее рукой до полного выполнения операции.
Управление навеской с использованием силового (позиционного) регулятора
Силовое регулирование
Применение силового способа регулирования обеспечивает наибольшее повышение производительности на энергоемких сельскохозяйственных операциях: пахоте, глубоком рыхлении, культивации при агрегатировании с навесными сельскохозяйственными машинами.
На пахоте с плугами ПН 3-35, ПЛН-3-35 опорное колесо плуга поднимайте в крайнее верхнее положение. При выполнении пахоты на небольшую глубину (менее 20-23 см) в условиях, когда плотность почвы по длине гона меняется в значительных пределах (песок-глина), опускайте опорное колесо плуга, чтобы ограничить максимальную глубину на участках с малой плотностью почвы.
На сплошной культивации и при глубоком рыхлении при агрегатировании трактора с сельхозмашинами, имеющими два опорных колеса в плоскости измерения ширины захвата, опорные колеса устанавливайте в требуемое по высоте положение с тем, чтобы исключить поперечные перекосы сельскохозяйственной машины, неравномерные нагрузки на крайние (слева и справа) рабочие органы.
При подготовке агрегата к работе с использованием силового способа регулирования проделайте следующее:
- Установите центральную тягу навесного устройства на верхнее отверстие серьги 30 (рис. 22).
- Соедините навесную машину с навесным устройством трактора МТЗ-82.
- Включите силовой способ регулирования, для чего приподнимите навесную машину над поверхностью почвы и переключатель 1 (рис. 24) введите в паз силового рычага 3 поворотом переключателя влево (по ходу трактора).
- Для более легкого включения перед вводом в паз переключатель отведите вперед (по ходу трактора) до совмещения с пазом на рычаге 3.
На широкозахватных машинах производите регулировку по высоте опорных колес и рабочих органов. При агрегатировании с плугами поднимите опорное колесо в верхнее положение.

Рис. 24. Переключение способов регулирования силового (позиционного) регулятора
1 — рукоятка переключения способов регулирования; 2 — маховичок регулирующего крана; 3 — рычаг силового регулирования; 4 — рычаг позиционного регулирования. Положение рукоятки: N — нейтральное; I — позиционное регулирование; II — силовое регулирование.
Правила и приемы работы
В начале гона опустите навесную машину, повернув рукоятку 1 (рис. 25) вперед по сектору 3. Чем дальше вперед будет установлена рукоятка, тем больше глубина обработки почвы.
При повороте рукоятки 1 на себя по сектору 3 глубина будет уменьшаться. После настройки на требуемую глубину ограничитель 2 подведите по пазу пульта до упора в рукоятку и зафиксируйте.

Рис. 25. Управление силовым (позиционным) регулятором (тракторов МТЗ-82 с унифицированной кабиной)
1 — рукоятка; 2 — упор-ограничитель; 3 — сектор; 4 — ролик; 5 — пружина; 6 — тяга.
В конце гона для выглубления орудия рукоятку 1 установите в положение «подъем» — на себя до упора. После окончания подъема рукоятка должна самопроизвольно возвратиться в положение «нейтраль транспортная» (до упора ролика 4 в сектор 3).
В начале каждого последующего гона опускание орудия производите поворотом рукоятки 1 вперед по сектору 3 до упора в ограничитель 2.
Особенности эксплуатации
При работе на пахоте в случаях, когда фактически получаемая максимальная глубина меньше требуемой, центральную тягу 1 навесного устройства переставьте на среднее отверстие II серьги 2 (рис.26).

I, II, III — верхнее, среднее и нижнее отверстия соответственно.
При выполнении сплошной культивации или глубокого рыхления на почвах с переменной плотностью по длине гона или по ширине захвата в тех случаях, когда работа сопровождается повышенным числом автоматических коррекций положения культиватора, также переставьте центральную тягу на среднее отверстие для уменьшения числа коррекций.
При работе на силовом методе регулирования как на пахоте, так и на культивации произведите настройку маховичка скорости коррекций 2 (рис. 24). При вращении маховичка по часовой стрелке скорость коррекций уменьшается, при вращении против часовой стрелки — увеличивается.
Настройку маховичка производите после окончания регулировок плуга (культиватора), при этом, поворачивая маховичок, добейтесь плавного автоматического регулирования глубины в процессе работы.
Не заворачивайте маховичок по часовой стрелке до упора, так как это приведет к чрезмерно медленному подъему сельскохозяйственной машины и вызовет повышенное буксование ведущих колес трактора Беларус.
Настройку маховичка скорости коррекций и выбор отверстия в серьге при установке центральной тяги проводите для конкретных почвенных условий каждого типа сельхозмашин. Переналадок в процессе работы не требуется.
Позиционное регулирование
При использовании позиционного способа регулирования регулятор гидросистемы обеспечивает установку рукояткой управления 1 (рис. 25) желаемого положения сельскохозяйственной машины относительно остова трактора МТЗ-82 Беларус и автоматическое поддержание этого положения в работе.
Использование позиционного регулирования на почвообработке с навесными плугами, культиваторами для сплошной и междурядной обработки почвы, а также на глубоком рыхлении рекомендуется в условиях ровного рельефа полей.
На широкозахватных машинах, агрегатируемых с трактором, при работе на позиционном режиме регулирования необходимо использовать опорные колеса в целях исключения поперечных перекосов сельскохозяйственной машины, улучшения прямолинейности движения агрегата и создания лучших условий для копирования рельефа в поперечном (относительно движения трактора) направлении.
При подготовке агрегата к работе с использованием позиционного способа регулирования проделайте следующее:
- Соедините навесную машину с навесным устройством трактора МТЗ-82.
- Поднимите навесную машину в верхнее (транспортное) положение.
- Включите позиционный способ регулирования, для чего переключатель 1 (рис. 27) введите в паз позиционного рычага 4 поворотом его вправо (по ходу трактора).
- Маховичок скорости коррекций 2 поверните против часовой стрелки до упора, установив максимальную скорость подъема при автоматических коррекциях положения.

Правила и приемы работы
Установите навесное орудие в требуемое положение. Опускание производите поворотом рукоятки 1 (рис. 25) вперед по сектору 3.
Чем дальше вперед будет установлена рукоятка, тем ниже опустится орудие, и наоборот, чем дальше по сектору на себя будет повернута рукоятка, тем орудие поднимется выше.
После установки орудия в требуемое положение по высоте ограничитель 2 подведите до упора в рукоятку и зафиксируйте.
В конце гона для подъема орудия в транспортное положение рукоятку 1 поверните на себя до упора. После окончания подъема рукоятка должна самопроизвольно возвратиться в положение «нейтраль транспортная» (до упора ролика 4 в сектор 3).
Технические характеристики
Технические характеристики трактора МТЗ-82:
| Характеристики | Ед. измерения | Показатели |
| Тяговой класс | — | 1,4 |
| Размеры (ДхШхВ) | мм | 3930х1970х2740* |
| Клиренс (минимальный) | мм | 470 |
| Двигатель | тип | дизель, 4-цилиндра., радн., |
| Рабочий объем | л | 4,75 |
| Мощность | л.с. | 80 |
| Система пуска | тип | Стартер(82), Пускач(82Л) |
| Коробка передач | тип | механическая |
| Кол-во передач | шт. | 18-вперед, 4-назад |
| Привод | тип | полный |
| Скорость (мин/макс) | км/ч | 1,3/34,3 |
| Вес | кг | 3770 |
| Расход топлива | гкВт/ч | 230 |
*- По высоте указано значение трактора с малой кабиной.
Контролируем параметры
Для контроля параметров работы всех основных узлов, агрегатов и механизмов трактора служит щиток приборов. Он располагается на передней панели кабины прямо перед глазами тракториста и включает в себя стандартный набор приборов и сигнальных ламп. Это спидометр, указатель давления масла и температуры двигателя, приборы контроля бортовой электрической сети и другие.
Приборы имеют привычную круглую форму и расположены в удобной для считывания комбинации. Беглого опытного взгляда на щиток приборов вполне достаточно, чтобы в достаточном объеме оценить параметры работы систем трактора. О выходе какого либо показателя из допустимых пределов немедленно сигнализируют яркие сигнальные лампы, позволяющие принять решение о прекращении работы машины и начать поиск и устранение возникшей неисправности.
Для работы в темное время суток щиток приборов имеет световую подсветку, при включении которой показания приборов легко читаются. Все приборы — стрелочного типа с разбитой на зоны шкалой. При нормальных параметрах работы механизмов трактора стрелки приборов должны находиться в зеленой зоне шкалы. Выход стрелок приборов из зеленой зоны свидетельствует об отклонениях в работе трактора. В данной ситуации работа прекращается до выяснения и устранения неисправности.
Как управлять трактором
К управлению трактом допускаются лица, прошедшие курс подготовки по направлению «Основы управления и безопасность движения тракторов».
Прежде, чем перейти к управлению трактором, проводят ряд подготовительных работ:
- Проверяют исправность тракторных узлов;
- Измеряют давление в шинах;
- При наличии навесного оборудования на тракторе, визуально осматривают прицепную скобу;
- Снимают кожух с силовой установки трактора, чтобы убедиться в надлежащем состоянии аккумулятора, охладительной системы и радиатора;
- Одевают комфортную одежду и обувь, избегая распущенных волос и украшений;
- Подгоняют настройки водительского сиденья под рост и вес оператора. Опираясь спиной на сиденье, руки должны получить свободный доступ к органам управления трактора, а ноги – к педалям.
Процесс управления трактором происходит таким образом:
- Заводят двигатель и начинают трогаться – первую попытку перемещения начинают на прогретом моторе. Для этого уменьшают топливоподачу, выключают ручку сцепления, выбирают рабочую передачу, повышают топливный расход и переводят педаль сцепления во включенный режим;
- Когда трактор поехал, начинают разгонять его до нужной скорости – сбавляют подачу топлива, выключают сцепление, выставляют нужный режим на КПП, плавно включив сцепление;
- Чтобы выполнить разворот в конце разгона и вытянуть из земли плуг, акселератор ставят на минимальную подачу;
- Управление трактором при совершении первого гона – закладки 1-й борозды начинают с задания прямолинейной траектории движения. На равнинных участках для этого применяют 1-у вешку и визир, встроенный в трактор, для полей со сложной геометрией потребуется несколько вех, которыми разграничивают все поле. На современных тракторах данный момент управления решается быстрее – с помощью ГИС-технологий;
- При выполнении основного цикла работ трактористу необходимо постоянно «лавировать» между передачами – т.е. выбирать оптимальный ритм работы к конкретной агротехнической задаче и особенностям возделываемого участка. Так, для перемещения вверх по склону и на глинистых, суглинистых, щебнистых и тяжелых черноземах используют низкие передачи, а в обратном случае – высокие передачи;
- Разворот и поворот на поле недопустимо совершать с работающими адаптерами и на большой скорости. Чтобы развернуть трактор на колесных движителях, уменьшают скорость до 5 км/ч и задействуют торможение на колесо, на которое оказывается в центре поворотной окружности. Поворот гусеничного трактора делают лишь в крайних случаях;
- Управление трактором при спуске по склону – чрезвычайно опасный маневр, в ходе которого нагрузка с передних смещается на задние колеса. Чтобы выполнить его без риска аварии, сбавляют подачу дизеля, выбирают низкую передачу и периодически тормозят мотором;
- Чтобы ездить на тракторе с навесными адаптерами от ВОМа без ущерба для силовой установки и с безопасностью для себя, нужно не забывать выключать отборщик мощности при разворотах и переводить их в транспортировочный режим – при ходе на возвышение. При переезде между угодьями, желательно разобщать хвостовик ВОМа от карданной передачи.
Данные требования касаются как заводских моделей, так и самодельных тракторов из «Нивы» или «Оки».
Конструкция мотора трактора

Двигатель машины относится к классу 4-цилиндровых четырехтактных моторов с водяной системой охлаждения трактора. Он создавался специально для линейки этих тракторов на том же Минском тракторном заводе. Эксплуатационный объем мотора составляет примерно 4,75 л. Благодаря качественному электрооборудованию и полураздельной камере сгорания, номинальная мощность двигателя составляет 80 л. с., а крутящий момент – 2200 об/мин.
Вес дизельного мотора составляет 428 кг. Некоторые модели тракторов дополнительно комплектуются предпусковым подогревателем ПЖБ-200Б.
Для запуска машины в ее комплектацию входит электрический стартер и пусковой карбюраторный мотор. Также в конструкцию входит устройство блокировки запуска, который нужно использовать для удерживания трактора на месте при заведенном моторе.
Чтобы продлить сроки эксплуатации двигателя, производитель рекомендует выполнять его осмотр и обслуживание каждые 240 моточасов. Изготовитель не советует использовать печку без необходимости, так как это отрицательно влияет на стабильность крутящего момента двигателя.
Обзор превыше всего
Отличительной особенностью кабин тракторов МТЗ является великолепная обзорность. Она достигается с помощью значительной степени остекленности ее элементов – большое ветровое и боковые стекла, практически полностью остекленные двери, заднее стекло, и даже люк на крыше. На стенках кабины есть дополнительные смотровые окна. Прибавляют обзорности также и регулируемые зеркала заднего вида большого размера, расположенные снаружи кабины. В любой ситуации тракторист имеет возможность видеть практически все, что происходит снаружи, что особенно важно как при полевых работах, так и при работах внутри зданий и сооружений, когда работы производятся в ограниченном пространстве и водителю необходимо с большой точностью «чувствовать» габариты трактора.
| Размеры стекол тракторов Беларус МТЗ-80/82 | |||
| Модель трактора | Кабина | Тип | Габариты, мм |
| МТЗ-80 | Старая | Лобовое | 1044х656 |
| Новая | Ветровое | 1245х915 | |
| Новая | Ветровое нижнее | 434х278 | |
| Старая | Ветровое заднее | 1040х655 | |
| Новая | Заднее | 1195х840 | |
| Новая | Боковое | 770х640 | |
| Старая | Боковое | 765х630 | |
| Новая | Дверь | 765х600 | |
| Старая | Дверь | 630х450 | |
| МК | Боковое | 475х225 | |
| МК | Дверь | 659х453 | |
| МТЗ-82 | УК | Боковое | 767х642 |
| УК | Боковое | 868х749 | |
| УК | Дверь | 763х608 | |
| УК | Заднее | 1205х841 | |
| УК | Переднее | 1267х921 |
Конструкция кабины трактора МТ3 позволяет практически полностью исключить «слепые» зоны видимости для тракториста и обеспечить прекрасный обзор во всех направлениях. Во время осадков помогут стеклоочистители электрического типа, установленные на переднем и заднем стекле кабины. Они имеют несколько режимов, из которых всегда можно выбрать удобный, в зависимости от интенсивности осадков. Для остекления кабины применяются термопоглощающие стекла, что позволяет избежать чрезмерного нагрева воздуха внутри салона в жаркое время года.
Рычаги управления ВОМ

Поводок переключения скорости ВОМ на МТЗ 80(82)
Рычаг включения заднего вала отбора мощности 46 находится у правой стенки кабины. Опущенное положение рычага соответствует выключенному ВОМ, поднятое соответственно — включает задний ВОМ. Рычаг переключения режимов работы заднего ВОМ 55 или, который называют — «рычаг управления кулачковой муфтой», находится у основания сидения. Переключение осуществляют при заглушённом двигателе поперечным перемещением рычага относительно оси движения трактора. Среднее положение рычага является нейтральным, крайнее правое положение соответствует независимому режиму работы, крайне левое синхронному режиму. Скорость вращения заднего ВОМ переключаются поводком 58 (на отдельном рисунке), расположенным нижней стенке картера промежуточной части трансмиссии вене кабины. Одно крайнее положение соответствует скорости в независимом режиме 540 об/мин, второе крайнее положение 1000 об/мин. Выбранное положение фиксируется затяжкой контрольной гайки поводка. В тракторах, оборудованных боковым ВОМ поводок включения выведен на поле кабины с левой стороны.
Коробка передач (кпп) трактора МТЗ 82: схема переключения передачи и устройство
После смещения зубчатого элемента назад до полной агрегации с внутренним венцом — включается вторая ступень.
Устройство и схема переключения коробки передач МТЗ Рассматриваемый узел представляет собой комплект шестерен разного типа с нагнетательным приспособлением. Данный узел отвечает за работу техники в разных режимах, исходя из сложности условий работы. Если он расположен в неудобном для водителя месте, допускается проведение тюнинговых работ.
На вторичном валу размещена ведомая шестерня второй ступени редуктора и ведущая шестерня главной передачи. Для этого снимают вилки и поочередно вставляют их в соответствующие пазы скользящих кареток, проверяя зазор между ними. Порой он загрязняется или летает.
Крышка аппарата поднимается.
Рычаги гидравлики и силового регулятора
Три рукоятки переключения золотников распределителя 27,28,29 размещены по правую сторону панели управления у лобового стекла трактора. Каждый рычаг имеет четыре позиции. Постоянно рычаги находятся в нейтральном положении, при котором рабочая жидкость, поданная насосом к золотникам пропускается в сливную полость, а рабочие полости гидроцилиндров заперты золотником и находятся в зафиксированном положении. Передвижение рычага вверх соответствует команде «Подъём» — золотник открывает поступление масла в полости гидроцилиндров для подъёма. Первая нижняя позиция соответствует команде «Опускание». Вторая крайняя позиция соответствует «Плавающему» режиму работы гидравлики. Крайний правый рычаг 29 стандартно распределителя управляет гидроцилиндром задней навески, два свободных предназначены для подключения дополнительного оборудования агрегатируемого с трактором. На тракторах оборудованных гидравлическим увеличителем сцепного веса трактора ГСВ рукоятка его управления выводился дополнительно к трём рычагам распределителя гидравлики.
По правую сторону сидения на одной панели с рукояткой ручной подачи топлива находится фиксатор положения рукоятки 43 силового регулятора и рычаг самого регулятора 45. Крайнее заднее положение рычага силового регулятора – «подъём агрегатируемого орудия» при подъёме рукоятку удерживают рукой. После подъёма рукоятку отпускают — она перемещается и фиксируется в положении «транспортная нейтраль». Промежуточное положение вперёд от «транспортной нейтрали» — «зона регулирования». Крайнее переднее положение – «принудительное опускание». После завершения опускания рукоятка самостоятельно устанавливается в начале зоны регулирования. Маховик крана переключения позиционного регулятора 52 находится под креслом водителя и имеет три позиции: правая позиция – «позиционное регулирование»; левая – «силовое регулирование»; средняя – «выключено». Маховичком 53 настраивают скорость коррекции силового регулятора. У основания водительского сидения ближе к правой стороне расположен поводок 40 управления фиксацией навески в транспортном положении.
Кабина и интерьер агрегата
Трактор Беларусь МТЗ-80 оборудован просторной кабиной. Она крепится к силовой раме посредством резиновых амортизаторов, которые эффективно подавляют шум от работающей трансмиссии и мотора трактора. Удобное водительское сиденье можно регулировать по высоте.
Внутренние поверхности кабины агрегата МТЗ-80 отделаны термо- и шумопоглощающим материалом. На полу находятся резиновые коврики, предотвращающие соскальзывание ног водителя с педалей.
- https://kraftool-stayer.ru/selhoztehnika/upravlenie-mtz-82.html
- https://dostavka99.ru/specnaznacheniya/organy-upravleniya-mtz-82.html
- https://obrazovanie-gid.ru/dokumentaciya/organy-upravleniya-mtz-80-kratko.html
- https://mtz-80.ru/hodovaja-chast/organi-upravleniya-mtz-80-2019
- https://pro-traktor.ru/traktory/mtz-80.html
- https://transfercentr.ru/selskoe-hozyajstvo/upravlenie-mtz-82.html
- https://gp-prsmah.ru/specializaciya/organy-upravleniya-mtz-82.html
- https://remnabor.net/shema-kabiny-mtz-80-starogo-obraztsa
- https://vseomtz.ru/ustroystvo-i-obslujevanie/organy-upravleniya-mtz-82
- https://furra.ru/selhoztehnika/upravlenie-mtz-82.html
- https://ravon-r2.ru/rychagi-upravlenija-mtz-80/



