Разборка механизма натяжения трактора Т-170, 130
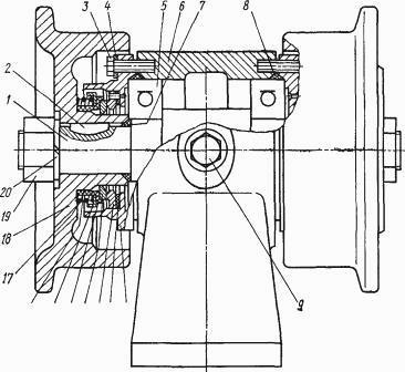
Расстопоривают болты 15 (рис. 20) и вывертывают их. Снимают крышку 14 с сальника и сальник 13.

Рис.20. Механизм натяжения бульдозера Т-130, 170
Вынимают из цилиндра 11 шток 12 и поршень 9 с деталями уплотнения.
Расшплинтовывают и отворачивают гайку 2 и снимают проставку 3 с поршня.
Снимают прокладку 4 , два пружинных кольца 5, вторую прокладку, опорное кольцо 6, пять манжет 7, нажимное кольцо 5, два кольца 10.
Сборка механизма натяжения бульдозера Т-170, 130
Трущиеся поверхности деталей при сборке смазывают солидолом.
Надевают на поршень 9 два кольца 10, так чтобы разрезы колец были на противоположных сторонах.
Надевают на поршень детали уплотнения последовательно: нажимное кольцо 5, пять манжет 7 и опорное кольцо 6.
Надевают на поршень прокладку 4, два пружинных кольца 5, вторую прокладку 4 и проставку 3.
Навертывают от руки корончатую гайку 2, не затягивая ее. Надевают на собранный поршень механизма натяжения бульдозера Т-130/130 приспособление, представляющее собой цилиндр с внутренним диаметром 70 мм.
Затягивают гайку 2 (момент затяжки 200 … 250 Нм) и зашплинтовывают шплинтом 1.
Ставят поршень 9 с приспособлением на цилиндр 11 и проталкивают в цилиндр.
Вставляют шток 12 в цилиндр.
Устанавливают сальник 13 с крышкой 14 на цилиндр и закрепляют болтами 15.
Стопорят болты проволокой 16. Завертывают пробку 17 с прокладкой 18 и клапан 19.
Подают шприцем в полость цилиндра 0,15 кг смазки УС-1 и опрессо-вывают усилием на штоке 200 кН.
Течь смазки не допускается. После опрессовки смазку удаляют, вывернув пробку 17 из цилиндра.
Механизм сдавания бульдозера Т-170, 130
Разборка механизма сдавания
Отгибают конец шплинта 7 (см. рис. 21) и вынимают его из отверстия стяжного стержня.

Рис. 21. Механизм сдавания Т-130, 170
Устанавливают механизм сдавания в приспособление.
Сжимают пружину 3 до отхода прокладки 5 до гайки 6, затягивают гайки штанг приспособления и отводят шток пресса.
Отвертывают гайку 6 со стяжного стержня. Вторично сжимают пружину.
Освобождают пружину, последовательно отвертывая гайки штанг и отводя шток пресса.
Снимают приспособление с пресса, фланец 2, пружину 3 и фланец 4 со стержня 1.
Сборка механизма сдавания бульдозера Т-170/130
Надевают на стержень 1 фланец 2 и устанавливают стержень с фланцем в приспособление.
Устанавливают пружину 3 и фланец 4 на стержень. Надевают на штанги приспособления нажимную шайбу, навертывают гайку и устанавливают приспособление с механизмом натяжения на пресс.
Сжимают пружину до упора втулки нажимной шайбы в контрольное кольцо. Затягивают гайки штанг и отводят шток пресса.
Смазывают резьбу стержня 1 графитной смазкой, устанавливают прокладку 5 и навертывают на него гайку 6 на размер А — 40 … 45 мм.
Вставляют в отверстие стержня шплинт 7 и загибают его концы.
Вторично сжимают пружину, отвертывают гайки штанг, отводят шток пресса и снимают механизм сдавания с пресса.
Опорный каток бульдозера Т-170/130
Разборка опорного катка Т-130/170
Снимают с катка крышки 21 и 13 (рис. 3).

Рис.22. Опорный каток
Снимают с оси 4 катка пружины 20 с обоймами 18, с помощью отвертки пружинное кольцо 19, манжету 17, кольца 16 и 10 торцового уплотнения и прокладку 9.
Отгибают лапки шайбы 15 с граней болтов 14 и вывертывают болты крепления упорной шайбы 7.
Снимают упорную шайбу с резиновым кольцом 8 и регулировочными прокладками 11.
Вынимают из катка дистанционное кольцо 5 и снимают с оси 4 шайбу 6 и разгрузочное кольцо подшипника.
Аналогично разбирают вторую сторону катка.
Вынимают ось 4 с внутренними кольцами роликоподшипников 2.
Спрессовывают их с оси с помощью пресса и разъемной обоймы.
Выпрессовывают из ролика 1 с помощью пресса и оправки наружные кольца роликоподшипников 2 с дистанционной втулкой 3.
Ремонт ролика опорного катка бульдозера Т-170, 130
Катки трактора изготовлены из двух литых роликов, соединенных дуговой сваркой. Материал роликов —сталь 50, ролики подвергают термообработке.
В соответствии с техническими условиями твердость поверхностного слоя роликов должна быть HRCSs52.
Ролик бракуется при обломах буртов. Толщина буртов должна быть не менее 5 мм, а износ поверхностей роликов по диаметру беговых дорожек не должны превышать 10 мм, т. е, 5 мм на сторону.
Наплавку опорных катков производят проволокой.
Наплавка высокоуглеродистой проволокой без последующей закалки не рекомендуется вследствие низкой износостойкости металла.
Поверхность отверстия под подшипники наплавляют до диаметра 120 мм.
После наплавки деталь обрабатывают на токарном станке, отверстие под подшипник растачивают на проход до чертежного размера.
При сборке опорных катков трактора Т-170, 130 необходимо соблюдать следующие требования:
Местный зазор между буртом оси и торцом подшипника допускается не более 0,17 мм;
Осевой зазор ролика должен быть 0,10 … 0,65 мм;
Торец ступицы ролика, имеющий клеймо, должен быть расположен со стороны пробки 22 (см. рис. 22);
При сборке трущиеся поверхности следует смазать трансмиссионным маслом; кольцо 8 должно быть смазано синтетическим солидолом;
Подшипники следует устанавливать маркировкой в сторону реборды ролика;
Вращение ролика должно быть свободным, без заеданий;
Каток заправляют трансмиссионным маслом ТЭп-15 летом или ТСп-10 зимой в количестве 0,32 … 0,35 кг и обкатывают на стенде в течение 30 мин. Течь масла через уплотнения не допускается.
Сборка опорного катка Т-130, 170
Перед сборкой осматривают резиновые манжеты и уплотнительные кольца, протирают и смазывают маслом посадочное отверстие в ролике 1 (см. рис. 22).
Запрессовывают в ролик с помощью оправки и пресса наружное кольцо роликоподшипника 2 маркировкой наружу, обеспечивая размер А = (24 ± 0,5) мм от торца ролика до торца кольца.
Переворачивают ролик другой стороной кверху, устанавливают дистанционную втулку 3 и запрессовывают второе наружное кольцо подшипника.
Нагревают в масляной ванне до температуры 90 … 100 °С внутренние кольца подшипников 2 и напрессовывают их на ось 4 до упора в бурт маркировкой наружу.
Разгрузочные кольца опорного катка выполняют свое назначение только при установке их со стороны маркировки.
Допускается местный зазор между буртом и торцом кольца не более 0,17 мм.
Устанавливают ось 4 в ролик 1 отверстием под пробку 22 со стороны клейма Н на торце ролика. Надевают на внутренние кольца подшипников разгрузочные кольца.
Устанавливают с обеих сторон в ролик дистанционные кольца 5 до упора в наружные кольца подшипников.
Надевают на лыски оси шайбы 6 до упора во внутренние кольца подшипников.
Надевают на упорную шайбу 7 регулировочные прокладки 11 и 12.
Допускается установка с одной стороны двух прокладок толщиной 0,6 мм при условии установки с другой стороны не более четырех прокладок толщиной 0,3 мм.
Надевают на упорную шайбу уплотнительное резиновое кольцо 8.
Вставляют в отверстие шайбы 15 и упорной шайбы 7 болты 14 и закрепляют упорную шайбу; момент затяжки болтов 60 … 100 Нм.
Проверяют осевой зазор оси опорного катка, который должен быть в пределах 0,1 … 0,65 мм.
Если осевой зазор не укладывается в эти пределы, отвертывают болты и убирают или добавляют необходимое число прокладок 11 или 12,
Стопорят болты, отогнув лапки шайбы на грани головок болтов.
Устанавливают в упорную шайбу резиновую прокладку 9 и кольцо 10 торцового уплотнения, совместив их вырезы со стопором упорной шайбы.
Протирают поверхность кольца 10 и смазывают его трансмиссионным маслом. Протирают кольцо 16 и надевают его на лыски оси.
Устанавливают на ось манжету 77, надев ее буртом на кольцо 16.
Надевают на манжету с помощью конусной оправки пружинное кольцо 19.
Устанавливают обойму 18 и пружину 20. Проверяют вращение оси опорного катка в подшипниках; ось должна вращаться плавно, без заеданий.
Завертывают в ось пробку 22 и устанавливают крышки 13 и 21.
Крышку 21 без трапецеидального паза устанавливают на ось 4 со стороны пробки.
