- Как осуществляется регулировка сцепления
- Разбираем и снимаем сцепление
- Регулировка лапок сцепления
- Устройство
- Регулировка сцепления МТЗ 82(80), зазор лапок и установка диска
- Ремонт сцепления и понижающего редуктора трактора МТЗ-82.1
- Как поменять лапки не раскатывая трактор
- Регулировка свободного хода педали управления сцеплением.
- Как отрегулировать на снятом двигателе штангелем муфту сцепления
- Советы по регулировке
- Ремонт сцепления и понижающего редуктора МТЗ
- Когда нужна замена механизма
- Основные неполадки и варианты исправления ошибок в работе
- Замена сцепления своими руками
- Длинной стороной диск сцепления к маховику или к лапкам?
- Как делают регулировку на МТЗ-320
- Пошаговый порядок проверки и регулировки сцепления
Как осуществляется регулировка сцепления
Рассмотрим, из чего состоит данный механизм. Устройство сцепления включает фрикционные диски, плотно прижатые один к другому. Эти диски расположены в муфте. Передача срабатывает, когда ведущий диск проскальзывает по отношению к ведомому. Между собой они соединены шлицевым узлом и КПП. Когда отпускается педаль, включается схема, и тогда диски между собой плотно прижимаются, а разъединяются, когда педаль нажимается. В этот момент между дисками появляется зазор.

На тракторах МТЗ-82 и 80 минского завода стоит однодисковый, однопоточный механизм, который включает:
- маховик;
- нажимной и опорный диски;
- 12 пружин для нажатия, расположенных между дисками.
Фермеры спрашивают, как установить сцепление трактора МТЗ 80. Монтаж осуществляется на заводе, но если надо провести ремонт, то сделать это можно своими руками. На трактор установлены детали, которые могут изнашиваться при длительной эксплуатации техники. Поэтому и проводится регулировка муфты сцепления МТЗ, замена лапки или диска.
Разбираем и снимаем сцепление
Чтобы выполнить ремонт корзины сцепления трактора или других деталей системы, нужно ее демонтировать. Приступая к решению данной задачи, вкрутите в маховик технологические болты, чтобы сжать нажимные пружины и открутить болты, крепящие опорный диск. Сделав это, выкрутите технологические «вставки». Теперь вооружитесь мелом и нанесите на нажимные системы и кожух метки. Это позволит вам в ходе сборки конструкции правильно расположить делали, и сохранить первоначальную балансировку.

Регулировка лапок сцепления
Рассмотрим, как происходит регулировка лапок сцепления МТЗ-82:
- Сначала надо тягу открепить от рычага, вытянув палец.
- Открутить болт регулировки сцепления МТЗ-82, устанавливаем педаль в исходное положение.
- После этого необходимо открутить рычаг против часовой стрелки до упора подшипника, который фиксируется в отжимные рычаги.
- Далее регулирую вилку тяги, что позволит соединить отверстие рычага и вилки.
- Уменьшить тягу на 5 оборотов вилки, соединив потом с рычагом, используя палец.
- Сделать проверку исправности системы.
Выполнять подстройку лапок сцепления на корзине сцепления трактора МТЗ-80(82) необходимо при установленной корзиной, корпус трансмиссии при этом снимаем. Правильное положение лапки определяется расстоянием 12 миллиметра от фланца ступицы опорного диска сцепления до рабочей плоскости рычага-лапки. Данный зазор между лапками и диском сцепления необходимо установить одинаковый, допускается минимальная погрешность в 0,3 мм.
Проверку отладки можно провести путем прикладывания плоской ровной пластины или стекла к лапкам. Если все они касаются пластины, значит регулировка выполнена верно и лапки находятся в одной параллельной маховику плоскости.
Вам удастся предотвратить таких проблем с механизмами системы сцепления трактора, если регулировка зазора лапок будет проводиться регулярно:
- диск не будет перекашиваться;
- лапки будут изнашиваться равномерно.
Устройство
Трансмиссия трактора МТЗ 82(80) оснащена сухим однодисковым фрикционным постоянно замкнутым механизмом. Узел установлен в отдельном сухом отсеке чугунного корпуса промежуточной части трансмиссии и крепится своим кожухом к двигателю машины. Механизм взаимодействует с трансмиссией через вал 13, на котором установлена корзина сцепления состоящая из упорного, нажимного и ведомого фрикционного дисков.

Штампованный опорный диск с прорезями для стаканов упорных пружин, отверстий для монтажа отжимных рычагов, а также отверстий по периметру для крепления узла к ведущему маховику двигателя. В центре детали закреплена заклёпками шлицевая ступица.

Литой нажимной диск со шлифованной рабочей поверхностью для эффективного соединения с фрикционными накладками ведомого диска установлен под упорным. Обратная сторона детали оборудована проушинами для крепления отжимных лапок. Три крепления расположены симметрично с одинаковым углом в 120 ̊ друг от друга.
Отжимные рычаги подпружинены возвратными пружинами и шарнирно соединены пальцами в креплениях нажимного диска. Для установки рабочих поверхностей рычагов в одной плоскости положение каждого рычага регулируется винтом и фиксируется контргайкой. Положение в одной плоскости обеспечивает равномерное одновременное отсоединение поверхностей нажимного и фрикционного ведомого дисков без перекосов, исключая неравномерный износ и неполное выключение сцепления. Равномерность прилегания плоскостей детали, обеспечивается упорными пружинами, которые установлены в стаканах упорного диска.

Ведомый фрикционный диск с обеих сторон оборудован приклёпанными фрикционными накладками с радиальными прорезями для вентиляции. Между накладками и самим диском расположены шесть пластинчатых пружин с каждой стороны. Такое соединение накладок с деталью позволяет гасить возрастающую нагрузку при рабочем соединении с маховиком при плавном включении сцепления. По окружности вокруг шлицевой ступицы детали размещены восемь демпферных пружин или резинок, которые сглаживают изменяющиеся динамические нагрузки в трансмиссии при включении.

Выжимной подшипник установлен на валу механизма и своей рабочей поверхностью нажимает на отжимные рычаги узла. Движение подшипника осуществляется через взаимодействие поводков с вилкой привода механизма.

Регулировка сцепления МТЗ 82(80), зазор лапок и установка диска
Ремонт сцепления и понижающего редуктора трактора МТЗ-82.1
Пробуксовка оцепления или неполное выключение передач ведут к усиленному износу и поломкам деталей сцепления, деталей. коробки передач, заднего моста и переднего ведущего моста.
Техническое состояние сцепления трактора МТЗ-82.1 можно определить по ряду признаков, характеризующих ту или иную неисправность.
Появление ненормального шума и стука, затрудненное включение передач, пробуксовка сцепления, особенно при увеличении тягового усилия, не устраняемые регулировкой привода сцепления, указывают на износ или разрушение деталей сцепления.
Повышенный шум или свист при нажатии на педаль сцепления указывают на разрушение упорного подшипника выключения.
При неправильной регулировке привода сцепления, что характеризуется отсутствием зазора между упорным подшипником и нажимными рычагами, подшипник постоянно вращается.
Это приводит к перегреву подшипника, вытеканию смазки и, в конечном счете, к разрушению подшипника. В большинстве случаев заклинивание неисправного подшипника сопровождается обгоранием концов нажимных рычагов.
Неправильная регулировка привода, ослабление усилия пружин нажимного диска могут привести к пробуксовке сцепления, снижению тягового усилия трактора, уменьшению частоты вращения вала отбора мощности.
В процессе эксплуатации трактора МТЗ-82.1 ведомые диски сцепления коробятся, накладки изнашиваются, головки заклепок наносят значительные кольцевые риски на поверхности нажимного диска (корзины).
Вследствие повышенного местного нагрева на рабочей поверхности нажимного диска могут появиться цвета побежалости и трещины.
Пробуксовка сцепления может быть следствием попадания масла на поверхности дисков из-за утечек через уплотнения коленчатого вала дизеля или валов коробки передач.
При короблении ведомых дисков или неправильной регулировке отжимных рычагов (когда концы рычагов располагаются на разной высоте) трудно включаются передачи.
В этом случае происходит перекос корзины при выключении сцепления МТЗ-82.1: края ведомого диска защемляются между корзиной и маховиком. В результате сцепление «ведет».
При толщине ведомого диска менее допустимого размера заменяют либо фрикционные накладки новыми, либо диск в сборе. Затрудненное включение передач может вызываться заеданием шлицев ступицы на шлицах вала сцепления вследствие их ступенчатого износа.
При разборке сцепления одновременно с устранением выявленной неисправности проводят техническую экспертизу деталей с целью замены их новыми или отремонтированными.
Перед снятием сцепления в маховик заворачивают специальные технологические болты, обеспечивая предварительное сжатие нажимных пружин (рис. 29), и отворачивают болты крепления опорного диска, а затем технологические болты.
Перед разборкой сцепления на кожух и нажимные диски наносят мешки, стремясь обеспечить при сборке правильное взаимное расположение деталей и сохранить первоначальную балансировку сцепления. Сцепление разбирают, используя специальное приспособление (рис. 30).

Рис. 29. Снятие муфты сцепления МТЗ-82.1
1 — муфта сцепления; 2 — технологический болт; 3 — болт крепления опорного диска

Рис. 30. Разборка опорного и нажимного дисков сцепления МТЗ-82.1
1 — двухлапчатый съемник; 2 — опорный диск; 3 — технологический болт
Допустимые значения контролируемых данных сцепления дизеля Д-240, мм
- Толщина ведомого диска — 8,0
- Коробление ведомого диска — 0,6
- Толщина нажимного диска — 21,0
- Толщина шлицев вала — 3,5
- Высота кулачка отжимного рычага — 10,9
После замены фрикционных накладок утопание головок заклепок должно быть не менее 2,0 мм.
Накладки должны плотно прилегать к диску; допускаются неплотности до 0,1 мм, а также радиальные трещины накладок около заклепок без выхода их на край или в другое отверстие под заклепку.
Если толщина ведомого диска не меньше допустимого значения, но головки заклепок утопают ниже плоскости накладки на 0,1 мм и менее, то обе фрикционные накладки заменяют.
Осматривают состояние корзины сцепления трактора МТЗ-82.1. На его опорной плоскости не допускаются кольцевые риски глубиной более 0,2 мм, следы прожогов и сетки растрескивания более 40% всей поверхности.
Рабочую поверхность нажимного диска исправляют шлифованием или протачиванием до выведения следов износа и тщательно зачищают мелкой наждачной бумагой.
Сцепление собирают с помощью приспособления (см. рис. 30). Сжимают пружины нажимного диска и вворачивают технологические болты для фиксации этого положения.
Во внутреннюю обойму подшипника маховика устанавливают технологический вал (рис. 32), необходимый для правильной взаимной установки шлицевых ступиц ведомых дисков и обеспечения их соосности с маховиком. Выворачивают технологические болты из кожуха и вынимают технологический шлицевый вал.

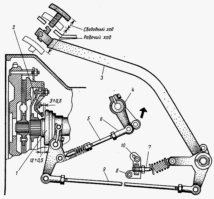
Рис. 31. Регулировка сцепления и тормозка МТЗ-82.1
1 — упорный подшипник; 2 — отжимной рычаг; 3 — рычаг педали; 4, 8 — кронштейны; 5 — тяга тормозка; 6 — вилка; 7 — упорный болт; 9 — тяга; 10 — болт крепления кронштейна
Рис. 32. Центрирование ведомого диска сцепления МТЗ-82.1
1 — технологический вал; 2 — опорный диск

Рис. 33. Регулировка отжимных рычагов сцепления МТЗ-82.1
1 — отжимной рычаг; 2 — технологический вал
Свободный ход педали (положение отводки) сцепления (рис. 31) регулируют вращением тяги 9. В отпущенном состоянии рычаг 3 педали должен упираться в пол кабины.
Если он не упирается, постепенно выворачивают из кронштейна 8 упорный болт 7. Когда такой регулировки недостаточно, ослабляют болт 10 крепления кронштейна и поворачивают кронштейн в сторону пружины (по часовой стрелке).
При правильной регулировке механизма выключения сцепления МТЗ-82.1 и соблюдении размера 12± 0,5 мм зазор между выступами рычагов 2 и упорным подшипником 1 должен быть 3±0,5 мм (регулировка отжимных рычагов сцепления показана на рис. 33).
Регулировку отводки тормозка проводят в два этапа (см. рис. 31). Первый этап: отсоединяют тягу 5 от кронштейна 4, поворачивают кронштейн 4 вправо (против часовой стрелки) до упора; вращая вилку 6, увеличивают длину тяги 5 до свободного соединения вилки 6 и кронштейна 4.
Второй этап: вращают вилку 6 до тех пор, пока суммарная длина тяги 5 не уменьшится на 7 мм; в таком положении соединяют вилку с кронштейном. После регулировки вилку закрепляют контргайкой.
Большинство неисправностей механизмов переключения понижающего редуктора связано с возникновением следующих основных дефектов: самопроизвольным выключением и тугим переключением передач, появлением шумов и стуков.
Самопроизвольно передачи выключаются при износе и сколе зубьев шестерен и зубчатых муфт, износе фиксаторов и углублений под них на валиках механизма переключения передач, потере упругости пружин фиксаторов, износе поверхностей трения вилок переключения, кулисы, кольцевых пазов скользящих шестерен и зубчатых муфт.
Тугое переключение передач и их включение со скрежетом происходят (наряду с неполным выключением сцепления) при нарушении регулировки тормозка, неправильной работе механизма блокировки.
Повышенные шумы и стуки в коробке передач появляются из-за износа подшипников валов, посадочных мест подшипников в корпусе, нарушения соосности валов, недостаточного количества масла в картере коробки, трещин и изломов деталей.
Отмеченные неисправности возникают не только из-за усталостного износа механизмов, но и неправильной эксплуатации, несоблюдения технических условий при ремонте.
Так, повышенный износ подшипников и зубьев шестерен по толщине может вызываться наличием абразивных частиц в масле, заливаемом в картер коробки передач, или попаданием таких частиц в смазку через неплотности.
Сколы и разрушения зубьев шестерен со стороны включения появляются из-за неточной регулировки сцепления МТЗ-82.1, неправильного переключения передач, нарушения регулировки тормозка вала сцепления.
Усталостное выкрашивание зубьев шестерен значительно убыстряется при неправильном зацеплении пар шестерен, неполном их включении, неточной регулировке зацепления конических пар. В процессе эксплуатации ряд неисправностей можно устранить непосредственно на тракторе.
Если при работе трактора слышен скрежет шестерен, возникающий при переключении передач, то это свидетельствует о неправильной регулировке механизма управления сцеплением и износе его дисков, об износе фрикционных дисков и тормозка, об износе поверхностей в месте сопряжения вилки и цапфы отводки тормозка (рис. 34).

Рис. 34. Сцепление и понижающий редуктор трактора МТЗ-82.1
а — общий вид; б — взаимное расположение деталей; 1 — демпфер; 2 — ведомый диск; 3 — нажимной диск; 4 — опорный диск; 5 — отжимной рычаг; 6 — упорный подшипник; 7 — отводка; 8 — кронштейн отводки; 9, 15, 16, 26, 39, 40, 54, 58, 62 — кольца; 10 — манжета; 11 — маслоотражательная шайба; 12, 14, 18, 27, 29, 38, 56, 61 — подшипники; 13 — упорная втулка; 17 — промежуточная шестерня; 19 — ось шестерни; 20 — фиксирующий винт; 21 — корпус сцепления; 22, 50, 63 — прокладки; 23, 24 — крышки; 25 — вал привода ВОМ; 28 — упорная шайба; 30 — кронштейн отводки тормозка; 31 — вилка включения; 32 — отводка тормозка; 33 — диск тормозка с накладкой; 34 — муфта зубчатая; 35 — вал сцепления; 36 — шестерня; 37 — опорная крышка; 41, 44 — рычаги; 42 — вал вилок сцепления; 43 — тяга тормозка; 45 — вал вилок включения; 46 — крышка сцепления; 47 — вилка переключения ступеней ВОМ; 48 — вал переключения ступеней ВОМ; 49 — нижняя крышка; 51 — игольчатый подшипник; 52 — вал привода ВОМ; 53 — муфта; 55 — шестерня привода ВОМ (II ступень); 57, 60 — распорные шайбы; 59 — шестерня привода ВОМ (I ступень); 64 — крышка подшипника
В ходе эксплуатации трактора могут возникнуть другие отказы и неисправности механизмов переключения передач. Для их устранения снимают корпус сцепления и разбирают в последовательности, показанной на рис. 35—39.
Большой свободный ход рычага переключения ступеней понижающего редуктора указывает на износ вилки переключения и паза зубчатой муфты.
Для проверки износа отсоединяют вилку, вставляют в паз зубчатой муфты и измеряют зазор. Если зазор превышает 3 мм, то муфту и вилку заменяют. Чтобы заменить зубчатую муфту, раскатывают остов и отсоединяют корпус сцепления от коробки передач.
Рис. 35. Снятие механизма управления понижающим редуктором и зубчатой муфтой МТЗ-82.1
1 — механизм управления; 2 — вал сцепления

Рис. 36. Снятие упорного подшипника, отводки, вилок включения и вала вилок сцепления
1 — отводка; 2 — вилка; 3 — вал вилок сцепления

37. Снятие отводки тормозка
1 — отводка тормозка; 2 — вилка включения; 3 — вал вилок включения
Рис. 38. Выпрессовка подшипника ведущего вала привода ВОМ МТЗ-82.1 из кронштейна отводки
1 — подшипник; 2 — кронштейн отводки; 3 — съемник

Рис. 39. Снятие нижней крышки в сборе с вилкой переключения ступеней привода ВОМ
1 — крышка; 2 — болт.
Как поменять лапки не раскатывая трактор
Если вам необходимо поменять лапки сцепления, рабочая поверхность которых выработалась более чем на 2,5 мм, не раскатывая трактор, вам потребуются:
- новые лапки;
- напильник;
- отвертка с короткой рукояткой;
- подставка под голову для удобства (можно использовать подходящую по размеру деревянную чурку).
Поменять лапки не раскатывая трактор довольно просто, но тут нужна сноровка. Сначала снимите крышку нижнего люка корпуса, открутив 3 болта.
Как поменять лапки: отожмите неисправные рычаги и снимите их, открутив регулировочные болты; немного подправьте напильником неровности контактной поверхности новых лапок; установите их и закрутите болты; проведите регулировку и затяните гайки; проведите проверку исправности и закройте крышку нижнего люка.
Рассмотрим теперь, как выставить лапки штангелем.
Данная методика применяется, когда для ремонта была произведена раскатка трактора.
Чтобы правильно выставить лапки штангелем после проведения замены выжимного подшипника, лапок или возвратных пружин, необходимо замерить расстояние от плоскости ступицы привода ВОМ до рабочей плоскости рычага-лапки сцепления корзины. Зазор должен быть равен 15 миллиметров (±1 мм). Подкрутив регулировочные болты, выводим контактную поверхность лапок сцепления на одну плоскость и затягиваем контргайки.
Следующий этап ремонта сцепления МТЗ-82 предусматривает перевод педали в начальное положение. Для этого надо отвести педаль на длину полного хода. Если будет наблюдаться провисание, то нужно открутить болты, провернув кронштейн по часовой стрелке.
Если замена сцепления МТЗ-82 не проводится через регулировку длины тяги, тогда надо менять положение рычагов. Когда регулирование закончено, надо затянуть контргайку и закрепить палец.
После регулирования муфты надо заняться налаживанием отжимных рычагов. Здесь понадобится оправа, которая сделана по внутреннему диаметру ступицы. На ней есть торцевая поверхность, предназначенная для упора рычагов. Их надо привести в норму, используя гайки, которые позволят подвести рычаги до упора в торец, и поставить стопорные шайбы.
Регулировка свободного хода педали управления сцеплением.
Привод педали регулируется, изменением длинны тяги привода 9 (на рисунке) управления сцеплением, за счёт её резьбовых концов, обеспечивая зазор между рабочей плоскостью выжимного подшипника и рычагами-лапками. Правильная регулировка даёт свободный ход педали муфты сцепления 40-45 мм при этом зазор между лапками и выжимным подшипником должен быть 3 мм. Фиксация регулировки осуществляется контрольными гайками на регулируемой тяге привода. Замер зазора производят через нижний люк сухого картера сцепления соответствующего размера щупом.
Текущую наладку проводят при уменьшении свободного хода педали, компенсируя естественный износ накладок фрикционного ведомого диска механизма.
регулировка свободного хода педали
Часто механизаторы регулируют положение лапок через нижний люк корпуса, избегая трудоёмкой процедуры отсоединения трансмиссии от двигателя или в народе — раскатки трактора. Регулировку положения лапок через нижний люк картера производят при замене, вышедшей из строя лапки или её возвратной пружины. Такой вынужденный ремонт достаточно неудобен в связи с плохой доступностью к механизму корзины, но оправдан экономией времени и трудозатрат. Недостатком такой регулировки является сложность проверки её точности. Часто наладку проводят «на глаз», что приводит к перекосу плоскостей дисков муфты, неравномерному износу, снижению КПД передачи мощности и как следствие уменьшению рабочего ресурса механизма муфты.
Как отрегулировать на снятом двигателе штангелем муфту сцепления
Настроить сцепление на МТЗ-80 старого образца при снятом двигателе можно при помощи штангенциркуля.
- Для этого необходимо замерить штангелем расстояние от поверхности диска сцепления до шайбы. Оно, при правильной настройке, должно составлять 2 мм (±0,1 мм).
- Выполнить измерение необходимо в нескольких точках.
- Затем выкручиваем технологические болты и стопорные гайки. Гайки следует вращать аккуратно.
- Проводим регулировку.
- Устанавливаем на место контргайки и болты.
- Затягиваем, не допуская прокручивания стопорных гаек.
Для того, чтобы провести регулировку лапок сцепления МТЗ- 80(82) через люк, необходимо:
- Выключить движок трактора и поставить его на ручной тормоз.
- Затем снимите люк муфты и, поворачивая коленчатый вал мотора, через люк «ловите» отжимную лапку с регулировочным винтом.
- Щупом на 3 миллиметра измерьте зазор между выжимным подшипником и лапкой, щуп должен входить плотно.
- Если зазор лапки отличается от контрольной, при помощи ключа и отвертки поворачивайте винт до нужного положения.
- Проведите процедуру с двумя оставшимися лапками, проворачивая коленвал на 120 градусов.
- Закрыть люк.
- Как проверить: ход педали при правильно выставленных зазорах будет свободным.
Советы по регулировке
Дополнительные советы и видео с наглядными примерами помогут вам правильно отрегулировать муфту, настроить зазор лапок корзины и в общем поддерживать механизм в исправном состоянии как можно дольше.
- Если предстоит ремонт по замене запчастей, выбирайте качественные комплектующие;
- Лапки сцепления следует закалить, они прослужат вам в 2 раза дольше незакаленных;
- Подпиливайте рабочую поверхность новых лапок напильником перед установкой, так как на них часто можно встретить неровности;
- Меняйте лапки корзины сцепления МТЗ-80, когда износ достигнет 2,5 миллиметра.
Ремонт сцепления и понижающего редуктора МТЗ
Пробуксовка оцепления или неполное выключение передач ведут к усиленному износу и поломкам деталей сцепления, коробки передач, заднего моста и переднего моста трактора МТЗ-80.
Техническое состояние сцепления можно определить по ряду признаков, характеризующих ту или иную неисправность.
Появление ненормального шума и стука, затрудненное включение передач, пробуксовка сцепления, особенно при увеличении тягового усилия, не устраняемые регулировкой привода сцепления, указывают на износ или разрушение деталей сцепления.
Повышенный шум или свист при нажатии на педаль сцепления указывают на разрушение упорного подшипника выключения.
При неправильной регулировке привода сцепления МТЗ-80, что характеризуется отсутствием зазора между упорным подшипником и нажимными рычагами, подшипник постоянно вращается. Это приводит к перегреву подшипника, вытеканию смазки и, в конечном счете, к разрушению подшипника. В большинстве случаев заклинивание неисправного подшипника сопровождается обгоранием концов нажимных рычагов.
Неправильная регулировка привода, ослабление усилия пружин нажимного диска (корзины) могут привести к пробуксовке сцепления, снижению тягового усилия трактора, уменьшению частоты вращения вала отбора мощности.
В процессе эксплуатации трактора, ведомые диски сцепления коробятся, накладки изнашиваются, головки заклепок наносят значительные кольцевые риски на поверхности корзины. Вследствие повышенного местного нагрева на рабочей поверхности нажимного диска могут появиться цвета побежалости и трещины.
Пробуксовка сцепления может быть следствием попадания масла на поверхности дисков из-за утечек через уплотнения коленчатого вала дизеля или валов коробки передач.
При короблении ведомых дисков или неправильной регулировке отжимных рычагов (когда концы рычагов располагаются на разной высоте) трудно включаются передачи. В этом случае происходит перекос нажимного диска при выключении сцепления: края ведомого диска защемляются между нажимным диском и маховиком. В результате сцепление «ведет».
При толщине ведомого диска менее допустимого размера заменяют либо фрикционные накладки новыми, либо диск в сборе. Затрудненное включение передач может вызываться заеданием шлицев ступицы на шлицах вала сцепления вследствие их ступенчатого износа.
При разборке сцепления одновременно с устранением выявленной неисправности проводят техническую экспертизу деталей с целью замены их новыми или отремонтированными.
Перед снятием сцепления, в маховик заворачивают специальные технологические болты, обеспечивая предварительное сжатие нажимных пружин (рис. 2.5.1), и отворачивают болты крепления опорного диска, а затем технологические болты.
Перед разборкой сцепления на кожух и нажимные диски наносят метки, стремясь обеспечить при сборке правильное взаимное расположение деталей и сохранить первоначальную балансировку сцепления. Сцепление разбирают, используя специальное приспособление (рис. 2.5.2).

Рис. 2.5.1. Снятие муфты сцепления МТЗ-80
1 — муфта сцепления; 2 — технологический болт; 3 — болт крепления опорного диска

Рис. 2.5.2. Разборка опорного диска и корзины сцепления
1 — двухлапчатый съемник; 2 — опорный диск; 3 — технологический болт
Допустимые значения контролируемых данных сцепления МТЗ-80 дизеля Д-240, мм
Толщина ведомого диска — 8,0 Коробление ведомого диска — 0,6 Толщина нажимного диска — 21,0 Толщина шлицев вала — 3,5 Высота кулачка отжимного рычага — 10,9
После замены фрикционных накладок утопание головок заклепок должно быть не менее 2,0 мм. Накладки должны плотно прилегать к диску; допускаются неплотности до 0,1 мм, а также радиальные трещины накладок около заклепок без выхода их на край или в другое отверстие под заклепку.
Если толщина ведомого диска не меньше допустимого значения, но головки заклепок утопают ниже плоскости накладки на 0,1 мм и менее, то обе фрикционные накладки заменяют.
Осматривают состояние корзины МТЗ-80. На его опорной плоскости не допускаются кольцевые риски глубиной более 0,2 мм, следы прожогов и сетки растрескивания более 40% всей поверхности. Рабочую поверхность нажимного диска исправляют шлифованием или протачиванием до выведения следов износа и тщательно зачищают мелкой наждачной бумагой.
Сцепление собирают с помощью приспособления (см. рис. 2.5.2). Сжимают пружины нажимного диска и вворачивают технологические болты для фиксации этого положения.
Во внутреннюю обойму подшипника маховика устанавливают технологический вал (рис. 2.5.3), необходимый для правильной взаимной установки шлицевых ступиц ведомых дисков и обеспечения их соосности с маховиком. Выворачивают технологические болты из кожуха и вынимают технологический шлицевый вал.

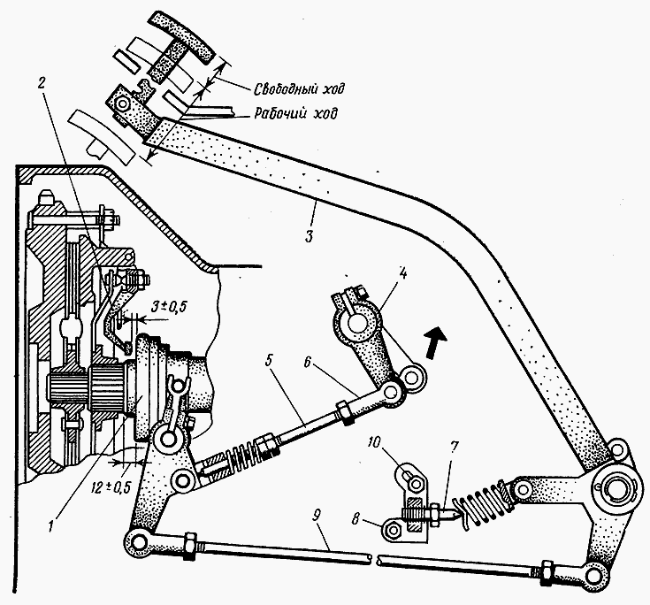
Рис. 2.5.4. Регулировка сцепления и тормозка МТЗ-80
1 — упорный подшипник; 2 — отжимной рычаг; 3 — рычаг педали; 4, 8 — кронштейны; 5 — тяга тормозка; 6 — вилка; 7 — упорный болт; 9 — тяга; 10 — болт крепления кронштейна
Рис. 2.5.3. Центрирование ведомого диска
1 — технологический вал; 2 — опорный диск

Рис. 2.5.5. Регулировка отжимных рычагов сцепления
1 — отжимной рычаг; 2 — технологический вал
Свободный ход педали (положение отводки) сцепления (рис. 2.5.4) регулируют вращением тяги 9. В отпущенном состоянии рычаг 3 педали должен упираться в пол кабины. Если он не упирается, постепенно выворачивают из кронштейна 8 упорный болт 7. Когда такой регулировки недостаточно, ослабляют болт 10 крепления кронштейна и поворачивают кронштейн в сторону пружины (по часовой стрелке).
При правильной регулировке механизма выключения сцепления и соблюдении размера 12± 0,5 мм зазор между выступами рычагов 2 и упорным подшипником 1 должен быть 3±0,5 мм (регулировка отжимных рычагов сцепления показана на рис. 2.5.5).
Регулировку отводки тормозка МТЗ-80 проводят в два этапа (см. рис. 2.5.4). Первый этап: отсоединяют тягу 5 от кронштейна 4, поворачивают кронштейн 4 вправо (против часовой стрелки) до упора; вращая вилку 6, увеличивают длину тяги 5 до свободного соединения вилки 6 и кронштейна 4.
Второй этап: вращают вилку 6 до тех пор, пока суммарная длина тяги 5 не уменьшится на 7 мм; в таком положении соединяют вилку с кронштейном. После регулировки вилку закрепляют контргайкой.
В ходе эксплуатации трактора могут возникнуть другие отказы и неисправности механизмов переключения передач. Для их устранения снимают корпус сцепления и разбирают в последовательности, показанной на рис. 2.5.11—2.5.28.
Рис. 2.5.11. Снятие стопорного кольца подшипника вала сцепления
1 — стопорное кольцо; 2 — вал сцепления; 3 — опорная крышка

Рис. 2.5.13. Снятие промежуточной шестерни привода гидронасоса
1 — промежуточная шестерня; 2 — стопорный винт

Рис. 2.5.14. Выпрессовка подшипника из промежуточной шестерни привода гидронасоса
1 — подшипник; 2 — наставка; 3 — шестерня
Рис. 2.5.15. Спрессовка кронштейна отводки тормозка
1 — кронштейн отводки тормозка; 2 — технологический болт; 3 — болт

Рис. 2.5.16. Выпрессовка подшипника из кронштейна отводки тормозка
1 — подшипник; 2 — кронштейн; 3 — цанга; 4 — инерционный съемник
Рис. 2.5.18. Выпрессовка подшипника ведущего вала привода ВОМ из кронштейна отводки
1 — подшипник; 2 — кронштейн отводки; 3 — съемник

Рис. 2.5.19. Снятие нижней крышки в сборе с вилкой переключения ступеней привода ВОМ
1 — крышка; 2 — болт
Рис. 2.5.20. Снятие крышки ведомого вала привода ВОМ МТЗ-80
1 — крышка; 2 — болт

Рис. 2.5.22. Выпрессовка ведомого вала привада ВОМ, снятие шестерен I и II ступеней, снятие соединительной муфты
1 — наставка; 2 — корпус сцепления

Рис. 2.5.23. Выпрессовка подшипника из корпуса сцепления
1 — подшипник;2 — корпус сцепления; 3 — инерционный съемник

Рис. 2.5.27. Выпрессовка игольчатого подшипника ведомого вала привода ВОМ
1 — игольчатый подшипник; 2 — корпус сцепления; 3 — инерционный съемник

Рис. 2.5.28. Выпрессовка подшипника из ведомой шестерни II ступени привода ВОМ
1 — подшипник; 2 — шестерня II ступени; 3 — цанга; 4 — инерционный съемник
Понижающий редуктор МТЗ-80
Большинство неисправностей механизмов переключения понижающего редуктора МТЗ-80 связано с возникновением следующих основных дефектов: самопроизвольным выключением и тугим переключением передач, появлением шумов и стуков.
Самопроизвольно передачи выключаются при износе и сколе зубьев шестерен и зубчатых муфт, износе фиксаторов и углублений под них на валиках механизма переключения передач, потере упругости пружин фиксаторов, износе поверхностей трения вилок переключения, кулисы, кольцевых пазов скользящих шестерен и зубчатых муфт.
Тугое переключение передач и их включение со скрежетом происходят (наряду с неполным выключением сцепления) при нарушении регулировки тормозка, неправильной работе механизма блокировки.
Повышенные шумы и стуки в коробке передач появляются из-за износа подшипников валов, посадочных мест подшипников в корпусе, нарушения соосности валов, недостаточного количества масла в картере коробки, трещин и изломов деталей.
Отмеченные неисправности возникают не только из-за усталостного износа механизмов, но и неправильной эксплуатации, несоблюдения технических условий при ремонте.
Так, повышенный износ подшипников и зубьев шестерен по толщине может вызываться наличием абразивных частиц в масле, заливаемом в картер коробки передач, или попаданием таких частиц в смазку через неплотности.
Сколы и разрушения зубьев шестерен со стороны включения появляются из-за неточной регулировки сцепления, неправильного переключения передач, нарушения регулировки тормозка вала сцепления.
Усталостное выкрашивание зубьев шестерен значительно убыстряется при неправильном зацеплении пар шестерен, неполном их включении, неточной регулировке зацепления конических пар. В процессе эксплуатации ряд неисправностей можно устранить непосредственно на тракторе.
Если при работе трактора слышен скрежет шестерен, возникающий при переключении передач, то это свидетельствует о неправильной регулировке механизма управления сцеплением и износе его дисков, об износе фрикционных дисков и тормозка, об износе поверхностей в месте сопряжения вилки и цапфы отводки тормозка (рис. 2.5.6).

Рис. 2.5.6. Сцепление и понижающий редуктор МТЗ-80
а — общий вид; б — взаимное расположение деталей; 1 — демпфер; 2 — ведомый диск; 3 — нажимной диск; 4 — опорный диск; 5 — отжимной рычаг; 6 — упорный подшипник; 7 — отводка; 8 — кронштейн отводки; 9, 15, 16, 26, 39, 40, 54, 58, 62 — кольца; 10 — манжета; 11 — маслоотражательная шайба; 12, 14, 18, 27, 29, 38, 56, 61 — подшипники; 13 — упорная втулка; 17 — промежуточная шестерня; 19 — ось шестерни; 20 — фиксирующий винт; 21 — корпус сцепления; 22, 50, 63 — прокладки; 23, 24 — крышки; 25 — вал привода ВОМ; 28 — упорная шайба; 30 — кронштейн отводки тормозка; 31 — вилка включения; 32 — отводка тормозка; 33 — диск тормозка с накладкой; 34 — муфта зубчатая; 35 — вал сцепления; 36 — шестерня; 37 — опорная крышка; 41, 44 — рычаги; 42 — вал вилок сцепления; 43 — тяга тормозка; 45 — вал вилок включения; 46 — крышка сцепления; 47 — вилка переключения ступеней ВОМ; 48 — вал переключения ступеней ВОМ; 49 — нижняя крышка; 51 — игольчатый подшипник; 52 — вал привода ВОМ; 53 — муфта; 55 — шестерня привода ВОМ (II ступень); 57, 60 — распорные шайбы; 59 — шестерня привода ВОМ (I ступень); 64 — крышка подшипника

Большой свободный ход рычага переключения ступеней понижающего редуктора МТЗ-80 указывает на износ вилки переключения и паза зубчатой муфты.
Для проверки износа отсоединяют вилку, вставляют в паз зубчатой муфты и измеряют зазор. Если зазор превышает 3 мм, то муфту и вилку заменяют. Чтобы заменить зубчатую муфту, раскатывают остов и отсоединяют корпус сцепления от коробки передач.
Рис. 2.5.7. Снятие механизма управления понижающим редуктором и зубчатой муфтой МТЗ-80
1 — механизм управления; 2 — вал сцепления

Рис. 2.5.8. Выпрессовка вала сцепления и снятие ведущего диска тормозка
1 — технологический болт; 2 — вал сцепления

Рис. 2.5.9. Снятие упорного подшипника, отводки, вилок включения и вала вилок сцепления
1 — отводка; 2 — вилка; 3 — вал вилок сцепления

Рис. 2.5.10. Снятие отводки тормозка
1 — отводка тормозка; 2 — вилка включения; 3 — вал вилок включения
Когда нужна замена механизма
Рассмотрим, когда возникает необходимость заменить данный механизм. Замена и ремонт сцепления МТЗ-82 проводится в следующих случаях:
- Устройство не позволяет получить полноценный крутящий момент.
- Педаль ходит частично или радиус ее хождения увеличивается в несколько раз.
- Изношены накладки ведомого диска, кронштейны отводки или манжеты.
- Выключается не до конца.
- Происходит попадание масла на сухой диск.
- Произошло выдавливание крышки подшипника ведомого вала привода.
Основные неполадки и варианты исправления ошибок в работе
Единственными неполадками этого узла трактора, естественно, остаются чисто механические, появляющиеся из-за износа тех или иных деталей или вследствие загрязнения и неправильной эксплуатации, когда лепестковое сцепление не имеет возможности бесперебойно работать:
- Нарушение требуемой стандартной регулировки.
- Чрезмерное и обильное попадание масла на диски.
- Ослабление и растяжка нажимных пружин.
- Износ накладок между дисками.
При явной пробуксовке первым делом нужно обратить внимание на точность его регулировки, но если это не помогло решению проблемы, то трактор надо немного погонять, разогрев диски, затем остановить и заглушить дизель, переключив рычаг коробки передач в нейтральное положение, и залезть в корпус, сняв с кожуха крышку люка.

Затем залить внутрь поллитра бензина и несколько раз провернуть коленвал, очищая и промывая тем самым оба диска. Делается это обычным медицинским шприцем, струю которого направляют на каждый диск до полной очистки. После промывки закрываете корпус крышкой и готово.
Однако, если промывка не дала положительного результата, это говорит о значительном механическом износе самих дисков и ослаблении нажимных пружин. Следовательно, указанные детали подлежат демонтажу и замене на новые.
Наконец, вторая важная причина неполадок – это неполное выключение из-за увеличенного чрезмерно хода педали. Здесь тоже всё делается обычной регулировкой тормозка и тяги, соединяющей педаль с валом блокировки.
Детали сцепления трактора, как и любого другого колесного механизма, со временем выходят из строя. Ускоряет этот процесс пробуксовка и неполное выключение передач. В периодическом ремонте или даже замене нуждается корзина сцепления МТЗ-82, диск и другие детали.
Замена сцепления своими руками
Для замены диска сцепления своими руками предлагаем использовать такой алгоритм:
- Для того, чтобы избежать постоянных касаний диска головок крепежных болтов, его следует устанавливать удлиненной стороной к маховику.
- Установить корзину на втулки шпилек маховика.
- Отцентровать муфту.
- Затянуть все гайки, держащие корзину муфты.
- Настроить зазоры лапок.
- Соединить основные части трактора (мотор и трансмиссию) с узлом сцепления и произвести обтяжку.
Аналогично проводится ремонт и регулировка корзины сцепления МТЗ-80. У этой модели колесного трактора, как и у 1221 и 320, одинаковые причины износа муфты.
Длинной стороной диск сцепления к маховику или к лапкам?
Приставьте диск к маховику и попробуй провернуть — зацеплять за болты не должен. Более длинная часть ступицы к корзине. Ориентируйтесь на заклёпки ступицы — плоской стороной к маховику, выпуклой к корзине (наружу), заклепки в центре ступицы.

Как делают регулировку на МТЗ-320
Рассмотрим, как происходит на МТЗ-320 регулировка сцепления, как правильно поставить диск сцепления. Как и на тракторах типа МТЗ-80, 82 и 82-1, на МТЗ-320 стоит сухая однодисковая муфта фрикционная, которая относится к постоянно-замкнутому типу.
Муфта фиксируется на маховике 6 болтами, размещенными на трех штифтах. Крутящий момент от диска нажатия и маховика мотора переходит на ведомый диск, а далее на вал. Между выжимными дисками находятся 9 пар пружин.
Педаль может свободно в корзине ходить, но граничный предел составляет 40 мм. Если этот параметр будет больше, то трудно будет переключать коробку передач, возникнут проблемы с работой механизма.
При недостаточном ходе педали вполне может возникнуть пробуксовка, что грозит износом дисков.
Справиться с такой ситуацией можно через установку сцепления МТЗ-320. Это проводится по следующей схеме:
- Надо открепить тягу от рычага и вытащить палец.
- Прокрутить рычаг против часовой до упора подшипника в рычаг. Потом надо крутить вилку тяги, соединить отверстия на рычаге и вилке.
- Вилку надо завести на несколько оборотов и постараться соединить с рычагом, для чего надо использовать палец.
- В самом конце затягивается контракта, палец закрепляется.
- После этого необходимо проверить исправность всех узлов и креплений, которые входят в данную систему мини-трактора МТЗ.
При регулировке сцепления МТЗ-1221 отрегулируйте все приспособления, которые в совокупности составляют сцепление МТЗ. В отличие от моделей механизмов, установленных на МТЗ-80, 82 и 320, регулировка сцепления на 1221 предусматривает работу с системой иного типа.
На этой модели трактора стоит двухдисковый фрикционный механизм, где есть нажимной диск, называемый корзиной. К ведомой части системы также относится 2 ведомых, на которых стоят гасители колебаний вращения. Они находятся на силовом валу, что и обеспечивает эффективное соединение.
Перед тем как поставить на мини-тракторах Беларусах новую муфту, надо ее сначала снять. Во-первых, устанавливаются болты, которые заворачиваются в нажимной диск. Во-вторых, откручиваются гайки крепления и снимаются диски. В-третьих, сначала снимается ведомый, потом — средний ведомый, в самом конце — второй ведомый.
Регулировка предусматривает установку в первую очередь шлицевой оправки в подшипник маховика. Потом ставится первый ведомый, а следом тот, который монтируется в пазы маховика.
Следом ставится второй ведомый, после чего надо поставить на место диски, которые находятся в сборе. Их необходимо закрепить гайками и болтами. В самом конце регулируется положение отжимных рычагов.
Чтобы отжимные рычаги встали на место, надо поочередно вворачивать и выворачивать регулирующие гайки, ставить их другой стороной. Когда отремонтированными рычагами можно будет управлять, надо устанавливать стопорные пластины и снимать оправу.
Пошаговый порядок проверки и регулировки сцепления
- Необходимо отсоединить тягу тормозка от рычага, предварительно вытащив палец.
- Для свободного движения кронштейна в него необходимо закрутить упорный болт, освободив педаль и ослабив болты от давления пружины.
- Свободное движение педали, регулируется путём изменения длины тяги. По подушке от 40 до 45 мм.
- Вращением против часовой стрелки нужно сдвинуть кронштейн до упора в болт, а затем закрутить все крепёжные болты кронштейна.
- Дальше выжимайте педаль сцепления, открутив упорный болт. При этом педаль сама должна возвращаться на место под действием пружины. Если возврата не происходит, требуется повторить все предыдущие шаги.
- Для регулировки длины тяги тормозка, вращайте против часовой стрелки рычаг, пока вращение не остановится. Затем, соединив рычаг с тягой, установите положенную длину. После этого снова отсоедините тягу и сократите её длину на 7 мм. И, наконец, снова соедините рычаг с тягой, вставив на место палец и зафиксировав его контргайками.
Вся сборка после регулировки выполняется строго в обратном порядке. Все числовые параметры величин, необходимых при регулировке сцепления на белорусских тракторах марки МТЗ вы можете прочитать в таблице:

- https://gp-prsmah.ru/brend/sceplenie-mtz-82.html
- https://LakkRoll.ru/privod-stsepleniya-mtz-80-starogo-obraztsa/
- https://furra.ru/selhoztehnika/korpus-scepleniya-mtz-80-shema.html



