- Устройство ПВМ
- Главный редуктор
- Дифференциал
- Бортовой редуктор
- Устройство
- Порядок работы
- Описание модели
- Устройство заднего моста МТЗ-80, 82
- Отличия в конструкциях передних мостов для МТЗ 1221
- Привод переднего ведущего моста МТЗ-1221 и его работа
- Межосевой дифференциал
- Регулировки ПВМ
- Регулировки главного редуктора
- Регулировки бортовых редукторов
- Смазка моста
- Подшипники моста
- Главный редуктор
- Привод ПВМ МТЗ 1221
- Управление приводом
- Устройство механизма
- Муфта включения
- Работа автоматического привода
- Автоматическое включение привод
- Технические характеристики трактора МТЗ-1221
- Двигатель трактора МТЗ-1221
- Коробка передач трактора МТЗ-1221
- Ходовая и трансмиссия трактора МТЗ-1221
- Привод переднего моста мтз 1221
Устройство ПВМ
Узел соединён качающимся шарниром с передней частью полурамы, представляет собой сборную литую балку из трёх соединяющимися фланцами деталей, в центральной части которой размещена главная передача и дифференциал, а в двух боковых частях полуоси. Внешние части корпусов полуосей оборудованы посадочными поворотными опорами для соединения с корпусами колёсных редукторов. Планетарно-цилиндрические бортовые механизмы получают вращение от полуосей через соответствующие карданные сочленения.

устройство ПВМ МТЗ 1221
Главный редуктор
Главный редуктор моста представляет собой главную передачу в виде пары конических шестерён и самоблокирующийся дифференциал повышенного трения.
Главная передача имеет традиционную конструкцию в виде конической пары шестерён с винтовыми зубьями, ведущая шестерня которой размещена в стакане на двух подшипниках, а ведомая установлена на шлицах корпуса дифференциала.

устройство ведущей шестерни главной передачи пвм
список деталей ведущей шестерни ПВМ МТЗ 1221
Ведущая шестерня выполнена заодно целое с валом, на хвостовик которой установлен фланец для соединения с карданной передачей привода ПВМ. Сам вал шестерни размещён в литом стакане на двух конических роликовых подшипниках, зазор в которых регулируется подбором пакета шайб между ними и усилием затяжки гайки на резьбовом хвостовике.
Регулировка зазора в зацеплении пары главной передачи регулируется прокладками устанавливаемыми под соединительный фланец стакана с фланцем центральной части корпуса моста.

состав переднего моста
Список деталей переднего моста МТЗ 1221
Дифференциал
Данная часть моста установлена в корпусе на двух радиально-упорных роликовых конических подшипниках, зазор в которых регулируется подкладыванием пакета регулировочных прокладок под соединительные фланцы корпуса главного редуктора и правого корпуса полуоси.

Устройство дифференциала пвм мтз 1221
Список деталей дифференциала ПВМ МТЗ 1221
Сам дифференциал представляет собой узел состоящий из двух полукорпусов между собой стянутые восьмью болтами. Внутри корпуса установлены: сборная креставина с четырьмя сателлитами со сферическими торцами; две одноимённые полуосевые шестерни с муфтами блокирования повышенного трения. Вращение от дифференциала предаётся на левую и правую карданную передачу полуосевыми валами, входящими внутренними шлицевыми концами в шлицы полуосевых шестерён дифференциала, а наружными в хвостовики вилок карданных передач привода бортовых редукторов.
Бортовой редуктор
Колёсныё редукторы опираются своими корпусами на две вертикально размещённые шкворневые поворотные точки оборудованные радиально-упорными роликовыми коническими подшипниками. Зазор в подшипниках данных поворотных опорах регулируется пакетом прокладок в верхней и нижней опоре.

колёсные редуктора ПВМ МТЗ 1221
Устройство
Вращение от карданного сочленения на колёсный редуктор принимается через промежуточную цилиндрическую шестерню установленной наружной стороной на подшипнике в корпусе колёсного редуктора, другой стороной на подшипнике в стакане. Фиксируется опора шестерни затяжкой стакана с пакетом регулировочных прокладок для обеспечения зазора в подшипниках шестерни.

схема устройства бортового редуктора переднего моста МТЗ 1221
От промежуточной шестерни далее вращение передаётся непосредственно на планетарную часть колёсного редуктора. Весь планетарный механизм смонтирован на валу ступичного фланца. колеса. Со стороны фланца вал опирается в наружной крышке корпуса редуктора на коническом роликовом подшипнике. На шлицевую часть фланцевого вала своими шлицами посажена ступица водила. На внутреннюю часть фланцевого вала посажен цилиндрический блок из двух шестерён, большая шестерня которого является ведомой шестерней получающей привод от промежуточной цилиндрической шестерни, а малая является солнечной шестерней планетарного механизма и размещена на ступице водила. Солнечная шестерня своими зубьями передает вращение трем сателлитам установленным на осях в наружной части водила, которые по наружному диаметру обкатываются по зубчатому венцу эпицикла напрессованного во внутренней части крышки колёсного редуктора. Блок шестерён опирается на фланцевом вале на роликовый двухрядный сферический подшипник зафиксированный на валу и в блоке стопорными кольцами. Внутренний конец фланцевого вала опирается на внутреннюю обойму конического роликового подшипника, наружная обойма которого установлена в стакане. Вся конструкция с внутренней части затянута гайкой и крышкой стакана с четырьмя болтами.

схема колёсного редуктора переднего моста
Список деталей колёсного редуктора ПВМ МТЗ 1221
Порядок работы
Общая работа колёсного редуктора представляется в следующем порядке: ведущая цилиндрическая шестерня получает вращение от полуосевых карданных сочленений, приводя во ращение блок шестерён посаженый на подшипники фланцевого вала. Солнечная шестерня, получившая привод вместе с ведомой в едином блоке, передаёт вращение сателлитам, которые своим вращением обкатываются по венцу эпицикла увлекая за собой водило планетарного механизма. Водило жёстко посаженое на фланцевом валу приводит во вращение сам фланец с присоединённым на нём ходовым колесом.
Описание модели
Устройство трактора МТЗ Трактор построен по классической схеме с передним расположением двигателя.

Между фланцами стаканов 9, 27 и корпусом заднего моста установлены регулировочные прокладки 34 толщиной 0,2 мм и 0,5 мм, для регулировки осевого зазора в конических роликоподшипниках 23 и бокового зазора в зацеплении шестерен 20 и 21 главной передачи. Боковой зазор в главной передаче должен быть в пределах 0,,55 мм.
МТЗ ремонт переднего моста Конические роликоподшипники переднего ведущего моста МТЗ главной передачи, отрегулируйте без зазора, с натягом не более 0,08 мм. Но следует обратить внимание на внешний вид машины, подтеки масла, коррозию корпуса.
Осевая фиксация дифференциала обеспечивается подшипниками По отдельному заказу применяются тормозные механизмы с масляной ванной, состоящие из набранных в пакет 8 дисков. Устройство трактора МТЗ Трактор построен по классической схеме с передним расположением двигателя. Между фланцами стаканов 9, 27 и корпусом заднего моста установлены регулировочные прокладки 34 толщиной 0,2 мм и 0,5 мм, для регулировки осевого зазора в конических роликоподшипниках 23 и бокового зазора в зацеплении шестерен 20 и 21 главной передачи.

При отпускании клавиша 6 возвращается в среднее фиксированное положение и блокировка дифференциала отключается. Для обеспечения высоких параметров мощности и стабильной полки крутящего момента дизельные двигатели оснащены турбокомпрессором. Описание модели Универсально-пропашной трактор с приводом на все колеса Беларус имеет технические характеристики, достаточные для выполнения полного цикла сельскохозяйственных работ. Замена масла в главной передаче — Поработайте на тракторе и прогрейте масло в корпусе моста.
Устройство заднего моста МТЗ-80, 82

При отпускании клавиша 6 возвращается в среднее фиксированное положение и блокировка дифференциала отключается. Старого образца. Настройка передней колеи выполняется ступенчато перестановкой обода и диска в пределах мм. Муфта блокировки дифференциала 1 — муфта блокировки; 2 — переходник; 3 — крышка диафрагмы; 4 — нажимной диск; 5 — диафрагма; 6 — отжимной диск; 7 — промежуточный диск; 8 — кожух; 9 — корпус муфты; 10 — диски блокировки; 11 — диск промежуточный тормоза; 12 — шарик; 13 — диск нажимной; 14 — крестовина дифференциала; 15 — вал блокировочный; 16 — диск тормозной; 17 — кожух левого рабочего тормоза.
Для удержания трактора на стоянке применяется отдельный тормоз, ограничивающий вращение задних колес. Заднее навесное оборудование медленно работает в зимнее время из-за густого масла в магистралях и цилиндрах. Стандартная схема состоит из дисков, к которым прижимаются колодки. Силовой агрегат Силовой агрегат представляет собой дизельный двигатель с установленным картером сцепления.
Боковой зазор в главной передаче должен быть в пределах 0,,55 мм. В зависимости от года выпуска, показаний счетчика моточасов, общего состояния и комплектации машины оцениваются в сумму от 0,6 до 2 млн рублей. Для удержания трактора на стоянке применяется отдельный тормоз, ограничивающий вращение задних колес. Под полом расположен бак, заливная горловина выведена сзади. задний мост МТЗ
Заправка через отверстие в одном из рукавов производится до тех пор, пока смазка во втором рукаве не достигнет нижней кромки заливного отверстия.
Особая конструкция деталей редуктора предотвращает преждевременное отключение привода ПВМ.

При правильно отрегулированных подшипниках редуктор переднего ведущего моста МТЗ должен поворачиваться относительно осей шкворней моментом В этом режиме гидрораспределитель принудительно включается, поэтому масло постоянно подается на гидромуфту независимо от направления движения трактора. Ведомая шестерня 19 посажена на шлицы и центрирующий поясок корпуса дифференциала 18 и от осевых перемещений фиксируется гайкой Заправка через отверстие в одном из рукавов производится до тех пор, пока смазка во втором рукаве не достигнет нижней кромки заливного отверстия.

При снижении величины буксования датчик 9 размыкает контакты, отключая электромагнит и, соответственно, привод переднего моста. Ведомой частью планетарного ряда, связанной с колесом трактора является фланец колеса, который жестко через шлицы связан с водилом 5, тремя сателлитами 11, а заторможенной шестерней, воспринимающей реактивный момент, служит эпициклическая шестерня Несоответствие давления воздуха в шинах рекомендуемым нормам – Поддерживайте давление в шинах согласно рекомендациям. После выборки зазора гайка кернится в двух прорезях фланца 1.
При этом автоматическое управление осуществляется в зависимости от буксования трактора, которое фиксируется датчиком 9 автоматического управления. При правильно отрегулированных подшипниках редуктор должен поворачиваться относительно осей шкворней моментом Нм.
Между крышкой и корпусом редуктора устанавливается уплотнительная прокладка. Самоблокирующийся дифференциал автоматически соединяет обе полуоси и исключает раздельное буксование колес, увеличивая силу тяги передних колес. Ведущая шестерня колесного редуктора зацепляется с блоком шестерен ведомой шестерней цилиндрической передачи 34, второй венец которого является солнечной шестерней или ведущей частью планетарного ряда. Для поддержания нормального давления в полостях колёсного редуктора в корпусе редуктора установлен сапун МТЗ-820 передній мост

Отличия в конструкциях передних мостов для МТЗ 1221
Нужно отметить, что передние мосты МТЗ 1221 марок 1222-2300020 и 1222-2300020-05 отличаются в своей конструкции именно составом колёсных редукторов и соответствующая комплектация ими тракторов зависит от исполнения заднего моста. В случае не соответствия, между формируемыми передаточными числами обеих ведущих мостов не будет достигнуто синхронности привода, что будет приводить к неравномерному износу передних шин и негативным нагрузкам в механизмах ПВМ и его привода.
Конкретно узлы отличаются корпусами редукторов, цилиндрическими шестернями получающими привод от полуосевого карданного сочленения, блоком шестерён солнечной шестерни и ведомой шестерни привода колёсного редуктора. Так, колёсные редуктора моста 1222-2300020 оборудованы шестерней принимающей вращение от полуосевого карданного сочленения на 17 зубьев , а мост 1222-2300020-05 с шестерней на 14 зубьев. Ведомая шестерня привода планетарного редуктора моста 1222-2300020 имеет 44 зуба, 1222-2300020-05 – 40 зубьев.
Привод переднего ведущего моста МТЗ-1221 и его работа
Привод ПВМ МТЗ-1221 предназначен для передачи крутящего момента от вторичного вала коробки передач через шестерню привода синхронного ВОМ, многодисковую фрикционную гидроуправляемую муфту, торсион и карданный вал к переднему ведущему мосту.
Включение (отключение) привода переднего ведущего моста МТЗ-1221 осуществляется с помощью гидроподжимной муфты по сигналу датчика, воздействие на который производится с помощью механизма свободного хода в зависимости от буксования задних колес.

Привод ПВМ МТЗ-1221
1 — шестерня; 2 — поршень; 3 — барабан; 4 — кулачковая полумуфта; 5 — пружина; 6 — вал; 7 — шлицевая втулка; 8 — торсион; 9 — вилка карданного вала; 10 — скоба; 11 — щиток; 12 — электрогидрораспределитель; 13—толкатель; 14 — выключатель; 15 — пробка.
Привод переднего ведущего моста МТЗ-1221 расположен в корпусе КПП с правой стороны по ходу трактора; при этом торсионный вал проходит через корпус муфты сцепления. Опора скользящей вилки карданного вала установлена в корпусе муфты сцепления.
Привод переднего ведущего моста (ПВМ) МТЗ-1221 состоит из следующих основных узлов и деталей. Вал (6) смонтирован в корпусе КПП на шариковых подшипниках.
На валу свободно вращается (при выключенной муфте) шестерня (1), находящаяся в постоянном зацеплении с шестерней привода синхронного ВОМ; при включенной муфте шестерня соединяется пакетом фрикционных дисков с барабаном (3) гидроподжимной муфты, диски сжимаются поршнем (2) под действием давления масла.
Барабан и кулачковая полумуфта (4) механизма свободного хода установлены на шлицах вала (6), при этом шлицевое соединение позволяет барабану проворачиваться относительно вала на 45 град.
Полумуфта постоянно поджата к кулачкам барабана пружиной (5) и имеет возможность перемещаться в осевом направлении, воздействуя на толкатель (13) датчика автоматического включения привода. Торсион (8) соединяет вал (6) через шлицевую втулку (7) со скользящей вилкой карданного вала (9).
Работа привода ПВМ МТЗ-1221
При движении трактора вперед без буксования вал (6), связанный с колесами ПВМ, имеет частоту вращения большую, чем шестерня (1) и барабан (3) поворачивается относительно вала. Кулачки барабана (3) перемещают полумуфту (4) по шлицам вала в осевом направлении, сжимая пружину (5).
При этом контакты выключателя (14) датчика автоматического включения привода разомкнуты и электромагнит гидрораспределителя (12) обесточен, давление в бустере фрикционной муфты отсутствует.
При буксовании задних колес более установленного значения частота вращения вала (6) снижается настолько, что барабан (3) проворачивается в обратном направлении и пружина (5) возвращает полумуфту (4) в исходное положение.
Полумуфта конусной частью перемещает толкатель (13), выключатель (14) замыкает электроцепь электромагнита распределителя (12), масло под давлением подается в бустер муфты, перемещая поршень (2). При этом пакет дисков сжимается, блокируя шестерню (1) с барабаном (3) и обеспечивая передачу крутящего момента.
При принудительном включении переднего ведущего моста МТЗ-1221 масло в бустер муфты подается независимо от буксования задних колес. При отключении ПВМ распределитель перекрывает канал нагнетания, а масло из бустера муфты направляется на слив.
Устройство и режимы работы системы управления приводом в целом описаны ниже. Для проверки давления в бустере муфты привода имеется диагностическое отверстие, затушенное пробкой (15). Выключатель (14) и электрогидрораспределитель (12) ограждены скобой (10) и щитком (11).
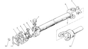
Карданный вал ведущего моста МТЗ-1221
Карданный вал МТЗ-1221 предназначен для передачи крутящего момента от КПП к ПВМ. Карданный вал состоит из трубы (2) и двух шарниров (1), (3) с крестовинами на игольчатых подшипниках (6). Обоймы игольчатых подшипников фиксируются стопорными кольцами (7), цапфы крестовин снабжены торцовыми уплотнениями (4) и самоподжимными манжетами (5).

Карданный вал КПП / ПВМ МТЗ-1221
1,3 — карданные шарниры; 2 — труба карданного вала, 4 — торцовое уплотнение; 5 — манжета; 6 — игольчатый подшипник; 7 — стопорное кольцо.
Карданный вал МТЗ-1221 в сборе отбалансирован динамически. Для предотвращения наматывания на карданный вал соломистых культур при выполнении уборочных работ предусмотрено ограждение.
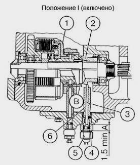
Регулировка выключателя датчика автоматического включения привода ПВМ МТЗ-1221
Регулировку выключателя (5) производите после сборки гидроподжимной муфты и установки крышки (6) на трансмиссию в следующем порядке:
— Поверните барабан (1) и установите его в положение «I», когда кулачки полумуфты (2) и барабана (1) полностью сведены, толкатель (3) выдвинут в крайнее положение.
— Установите под торец выключателя (5) первоначальное количество (5-6 штук) регулировочных прокладок (4).
— Удаляя по одной регулировочной прокладке (4), добейтесь такого положения выключателя (5), при котором его контакты будут замкнуты.
— Установите полумуфту (2) в положение «II», когда кулачки полумуфты (2) и барабана (1) полностью разведены, толкатель (3) утоплен в крайнее положение.
— Проверьте размыкание контактов выключателя (5) в положении «II».

Регулировка выключателя датчика автоматического включения привода переднего ведущего моста МТЗ-1221
1 — барабан; 2 — полумуфта; 3 — толкатель; 4 — прокладка; 5 — выключатель; 6 — крышка.
Выключатель будет отрегулирован правильно, если в положении «I» его контакты замкнуты, а в положении «II» разомкнуты. Проверку проводите по контрольной лампочке. Допускается проводить проверку по сигнализатору на пульте управления, при этом клавиша управления приводом ПВМ должна быть в верхнем положении.
В положении «I» размер «А» от торца толкателя (3) до торца выключателя (5) менее 1,5 мм не допускается. Нарушение данного требования может привести к выходу выключателя (5) из строя.
Межосевой дифференциал
Для равномерного распределения вращающего момента между двумя ведущими мостами и уменьшения износа шин служит межосевой дифференциал, который установлен в среднем (промежуточном) мосту в отдельном корпусе 13 (рис. 8), прикрепленном к корпусу главной передачи через стакан подшипников ведущей конической шестерни. В корпусе расположены задняя 10 и передняя 11 чашки, конические шестерни 12 и 14 привода соответственно среднего и заднего мостов, между которыми находится крестовина 16 с посаженными на ней на бронзовых втулках сателлитами 15.

Здесь же расположен механизм блокировки дифференциала, состоящий из муфты 9 блокировки, вилки 8 и диафрагменной камеры 6. Муфта 9 помещена на внутренней зубчатой муфте, жестко соединенной с конической шестерней 12 привода главной передачи среднего моста.
Регулировки ПВМ
Органичность работы механизма ПВМ обеспечивается правильной настройкой зазоров в зацеплении шестерён и установке в опорах вращения допустимого люфта подшипников.
Регулировки главного редуктора
Конические подшипники ведущей шестерни главной передачи настраиваются без зазора с натягом 0,08 мм. Люфт удаляется уменьшением толщины подкладных колец путём их шлифовки. Правильная настройка натяга проверяется усилием поворота соединительного приводного фланца ведущей шестерни, который должен быть в пределах 0,6 – 2 Н.м.
Настройку зацепления шестерён в главной паре осуществляют при правильно отрегулированном зазоре в подшипниках дифференциала, который должен быть в пределах 0,1 мм. Регулировка осуществляется подбором разрезных пакетов прокладок под соединительные фланцы корпуса главного редуктора и правого корпуса полуоси. При затяжки фланцев проворачивают корпус дифференциала для того, чтобы ролики подшипников заняли своё правильное положение в обоймах. Контроль зазора проверяют индикатором, установленным на венец ведомой шестерни главной передачи, путём осевого перемещения дифференциала вправо – влево при снятом стакане ведущей шестерни.
Зацепление в главной паре шестерён настраивается подбором пакета регулировочных прокладок между фланцами стакана ведущей шестерни и корпуса главного редуктора моста. Боковой зазор в зубьях шестерён главной пары должен быть в пределах 0,18 – 0,46 мм. Проверку осуществляют при застопорённой ведомой шестерни. В случае необходимости замены шестерни главной пары установка осуществляется только комплектами пар. Установка разукомплектованных пар или замена одной шестерни не допускается.
Регулировки бортовых редукторов
Подшипники ведущей цилиндрической шестерни колёсного редуктора регулируются с осевым зазором 0,05 мм путём подбора пакета разрезных прокладок между стаканом и корпусом редуктора.
Конические подшипники ступичного фланца колёсного редуктора настраиваются без зазора и фиксируются затяжкой гайки, положение которой стопорится кернением в двух прорезях детали. Обычно настройку осуществляют затяжкой гайки моментом 180- 200 Н.м. и последующим её отпуском на 15-20°, после чего производят кернение гайки. В соответствии с техническими требованиями производителя проверку зазора осуществляют через каждые 1000 часов работы.
Подшипники в осях поворота шкворня колёсного редуктора регулируются без зазора с натягом 0,01 — 0,06 мм путем подбора пакета прокладок между поворотными осями и корпусом. Правильная настройка соответствует усилию поворота редуктора на осях с моментом 16 – 20 Н.м. Затяжку и проверку зазора осей шкворня осуществляют через каждые 500 часов работы трактора.
Предельный угол поворота корпуса колёсного редуктора должен быть в пределах 38 -40° по отношению к положению прямолинейного движения. Настройка осуществляется винтом на балке моста.
Смазка моста
Полная замена масла в колёсных редукторах и корпусе главного редуктора осуществляется через 1000 часов наработки трактора или при сезонном обслуживании. Масло сливают при разогретом механизме до рабочего состояния. Слив осуществляют при вывернутых контрольно-заливных и сливных пробках.
Объём заправки главного редуктора моста -3,9+/-0,04 литра, объём заправки одного колёсного редуктора 2+/-0,02 литра. То есть для полной заправки моста потребуется 8 литров трансмиссионного масла.
Контроль уровня масла в корпусах ПВМ осуществляется через каждые 250 часов работы. Уровень должен соответствовать кромке контрольного отверстия в корпусах корпусах колёсных редукторов и корпусе главной передачи.
Смазка подшипников поворотных осей шкворня колёсного редуктора и втулки оси качения моста производится через каждые 125 часов путём 4-6 нагнетаний шприцом.
В качестве смазочного материала используют трансмиссионные масла марок ТАП-15В, ТАД-17, ТСп-15Кф, для смазки шприцом осей шкворня и качающегося шарнира моста – Литол 24 или смазку LCP-GM «BECHEM».
Подшипники моста
| Место установки | Марка подшипника | Размер наружный/ высота/внутренний мм |
| Ведущая шестерня главной передачи | 7607А или 6-7606АУ | 80/32,75/35 |
| 7506А | 62/21,25/30 | |
| Дифференциал | 2 шт 263212А | 110/22/60 |
| Поворотные опоры шкворневых осей | По 2 шт на каждую сторону 1027307А или 31307 | 80/22,75/35 |
| Ведущая шестерня колёсного редуктора | 2 шт в каждый редуктор 2007109 | 75/20/45 |
| Подшипники крестовин карданных сочленений моста | По 8 шт на каждую сторону 704702КЗС10 | Игольчатый ролик |
| Наружная опора фланцевого вала | 7514А | 125/33,25/70 |
| Опора блока шестерён ведомой и солнечной шестерни колёсного редуктора | 53609 | 100/36/45 |
| Внутренняя опора фланцевого вала | 7509А | 85/24,75/45 |
Главный редуктор
Главный редуктор переднего моста трактора 1221 выполнен в виде главной передачи из двух шестерен конической формы и самоблокирующегося дифференциала повышенного трения. Шестерни имеют винтовые зубья. Ведущая находится внутри стакана, расположенного на двух подшипниках, а ведомая — на шлицах корпуса дифференциала.
Ведущая шестерня включает в конструктивном плане еще и вал. На ее хвостовике расположен фланец, который предназначен для соединения с передачей карданного типа от привода ПВМ. Зазор между роликовыми подшипниками стакана регулируется путем подбора шайб и грамотной затяжкой.
Зазор для зацепления пары у главной передачи регулируется при помощи установки прокладок, которые устанавливаются под соединительный фланец стакана с фланцем мостового корпуса в центральной области.
Привод ПВМ МТЗ 1221
Механизм привода размещён непосредственно в нижней части корпуса коробки передач, получает вращение от шестерни привода синхронного ВОМ трактора, передаёт вращение через соединённый трубчатой муфтой шлицевой вал на карданную передачу соединённую с фланцем ведущей шестерней главной передачи переднего моста.

Схема муфты привода ПВМ МТЗ 1221
Управление приводом
Система и конструкция привода передних колёс трактора позволяет осуществлять передачу мощности в принудительном и автоматическом режимах. Электрическая часть управления приводом входит в единую электрическую систему, выполняющую одновременные функции управления: коробки передач, блокировки заднего моста и ВОМ трактора. Переключение режимов привода осуществляется кнопкой с боковой панели управления по правую сторону водителя, где нажатием верхней части клавиши включается автоматический режим, нажатием нижней части – принудительный режим, среднее положение соответствует выключенному приводу ПВМ.


Устройство механизма
В состав привода ПВМ входит гидроуправляемая многодисковая фрикционная муфта с обгоной полумуфтой, размещённые в корпусе КПП, а также включатель электропитания автоматического режима привода ПВМ и гидрораспределитель с электромагнитными клапанами, расположенные на крышке, присоединённой к правой стороне корпуса КПП.

Привод переднего моста МТЗ 1221
список деталей привода ПВМ МТЗ 1221
Муфта включения
Гидроподжимная муфта имеет традиционную конструкцию с пакетом чередующихся ведомых и ведущих дисков, где ведомые диски вместе с поршнем своими наружными усиками входят в пазы корпуса муфты, а ведущие своими внутренними зубчатыми венцами с венцом ведущей части муфты. Пружина установленная между поршнем и пакетом дисков обеспечивает разъединение привода при выключении давления масла.

муфта включения привода ПВМ МТЗ 1221
Ведущая муфты часть опирается на два шариковых подшипника 206А. Ведомый барабан-корпус своей ступицей вместе с полумуфтой свободного хода посажены на шлицы вала, который соединён шлицами через трубчатую шлицевую муфту с карданным валом привода ПВМ. При этом шлицы вала позволяют проворачиваться барабану муфты на 45°. Вал опирается в корпусе на шарикоподшипник 207. Полумуфта имеет конусные кулачки, обеспечивающие своим перемещением набегание на толкатель выключателя и замыкание цепи для срабатывания электромагнитного клапана распределителя. Подача масла к муфте организована с помощью специальной обоймы на ступице барабана через канал соединённый с распределителем.

Регулировка включателя ПВМ МТЗ 1221
Важно, при замене включателя и недопущения его выхода из строя, соблюсти зазор не менее 11,5 мм между торцом выключателя и торцом толкателя во включенном положении привода, то есть когда толкатель максимально выдвинут. Обеспечение соединения контактов и их разрыва в крайних положениях толкателя достигается подбором пакета прокладок под торец включателя. Проверку срабатывания осуществляют контрольной лампой или сигнализирующей лампой на пульте при включённой верхней части клавиши управления ПВМ.
Включатель – марка ВК 12-51, распределитель ТУ 213.20.011-98 номер — RH 06101-012/00GA-AMP или распределитель ТУ РБ 400051624.093-2004 номер — 1РГЕ-6Т/3.574Е.Г12.01

карданная передача привода ПВМ
Работа автоматического привода
В стандартном движении трактора обе части муфты вращаются независимо друг от друга: ведущая часть получает привод о коробки передач, ведомая часть получает вращение от передних колёс. При этом ведомая часть вращается несколько быстрее ведущей части и привод передних колёс не происходит.
Автоматическое включение привод
В случае когда задние колёса трактора пробуксовывают, а передние колёса, естественным образом приостанавливаются, вал с полумуфтой свободного хода замедляется относительно скорости вращения ведущей части гидроподжимной муфты. В этом случае барабан муфты замедляясь проворачивается на шлицах вала в обратную сторону на 45°, а полумуфта под действием пружины набегает своими конусными кулачками на толкатель включателя, который движением своей штанги замыкает контакты цепи подающей электропитание к электромагнитному клапану распределителя. Замыканием цепи клапан распределителя открывает поток давления масла на гидроподжимную муфту обеспечивая соединение привода и передачу мощности от КПП на передний мост.
Технические характеристики трактора МТЗ-1221
Традиционно конструкция тракторов МТЗ отличается простотой. Хорошая производительность, ремонтопригодность и многофункциональность, так же стали их визитной карточкой. Но чтобы составить полную картину, разберем подробнее основные узлы и агрегаты трактора.

Габариты и масса:
- Габариты трактора д/ш/в – 4600/2250/3000 мм.
- Колея по передним/ задним колесам: 1545-2265/1500-1900 мм.
- Агротехнический просвет под передним/задним мостом – 620/465 мм.
- Минимальный радиус разворота – 5,3 м.
- Масса без доп. грузов /с грузами – 4640/5300 кг.
Двигатель трактора МТЗ-1221

Дизель на трактор устанавливают рядный, 6-и цилиндровый с турбонаддувом. Модель Д260.2 производства Минского моторного завода. Отличается экономичным потреблением топлива и смазки, отвечает всем современным требованиям по экологии. Может без проблем работать как на отечественном, так и импортном топливе.
- Модель – Д-260.2 турбированный;
- Мощность – 130/96 л.с./кВт;
- Номинальные обороты – 2100 об.мин;
- Расположение и число цилиндров – рядная шестерка;
- Объем цилиндров – 7,12 л;
- Диаметр цилиндра/ход поршня – 110/125 мм.
- Расход топлива – 226 г/кВт.ч.
Коробка передач трактора МТЗ-1221
Коробка передач на «1221» механическая, с постоянным зацеплением шестерен. Переключение происходит ступенчато с помощью синхронизаторов, в 4-х диапазонах при движении вперед и 2-х диапазонах назад. По четыре скорости в диапазоне, в целом кпп обеспечивает 16 скоростей вперед и 8 назад.
Ходовая и трансмиссия трактора МТЗ-1221
Трансмиссия трактора имеет ряд существенных отличий от применявшейся, на тракторах предыдущих моделей:
- Муфта сцепления двухдисковая, усиленная, заключенная в жесткий корпус.
- Задний мост оснащен колесными, планетарными редукторами. Электрогидравлическая система управления дифференциалом, с возможными режимами: автоматический, включено, выключено.
- Тормоза сухие, трехдисковые. Возможна комплектация многодисковыми тормозами, которые монтируются на валах ведущих шестерен. Такая конструкция тормозов называется «мокрой», так как работают они в масле.
- Полуоси конечных передач и заднего моста усилены, что позволяет использовать более тяжелое и мощное навесное оборудование.
Передний мост. Так же является ведущим, может быть планетарного типа, либо балочно-соосный. Оборудован планетарными колесными редукторами, узлами шкворневыми двухопорными, надежной усиленной балкой, а так же гидроцилиндрами рулевого механизма.
Привод переднего моста мтз 1221
Привод МТЗ-1221 предназначен для передачи крутящего момента от вторичного вала коробки передач через шестерню привода синхронного ВОМ, многодисковую фрикционную гидроуправляемую муфту, торсион и карданный вал к переднему ведущему мосту. Включение (отключение) привода переднего ведущего моста МТЗ-1221 осуществляется с помощью гидроподжимной муфты по сигналу датчика, воздействие на который производится с помощью механизма свободного хода в зависимости от буксования задних колес.
Привод переднего ведущего моста МТЗ-1221 расположен в корпусе КПП с правой стороны по ходу трактора; при этом торсионный вал проходит через корпус муфты сцепления. Опора скользящей вилки карданного вала установлена в корпусе муфты сцепления.
- https://vseomtz.ru/ustroystvo-i-obslujevanie/perednij-most-mtz-1221
- https://avtospectransport.ru/v-selskom-hozyajstve/zadnij-most-mtz-1221-ustrojstvo.html
- https://spetstehnika-spb.ru/remont-i-servis/zadnij-most-mtz-1221.html
- https://BashGazCrimea.ru/selhoztehnika/pvm-mtz-1221.html
- https://technika66.ru/mtz-1221-ne-rabotaet-peredniy-most-prichina/
- https://transfercentr.ru/selskoe-hozyajstvo/rabota-perednego-vedushchego-mosta.html
- https://AgroHimTrans.ru/traktora/perednij-most-mtz-1221.html



