- Как устроена коробка передач МТЗ 80/82, ее ремонт
- Особенности строения КП МТЗ (80/82)
- Характер неисправности коробки передач трактора МТЗ 80
- Обозначения
- Ремонт КПП трактора МТЗ-80
- Устройство и принцип работы коробки передач МТЗ 80
- Картер и нагнетатель
- Диагностика и устранение неполадок
- Модификации КПП на тракторах «Беларус»
- Работа с реверсным редуктором
- МТЗ-82: схема переключения передач, порядок переключения
Как устроена коробка передач МТЗ 80/82, ее ремонт
Трактор МТЗ-80 / 82 – это техника, производимая Минским тракторным заводом. Данный транспорт отлично подходит для выполнения сельскохозяйственных работ. Рабочая техника сконструирована по классической схеме: увеличенные задние колеса, несущая система, надежное шасси. КПП МТЗ обеспечивает эффективное передвижение транспортного средства на разных скоростных режимах. КПП трактора с МТЗ 80 включает несколько ступеней привода, расположенных на передней и задней оси (9 и 2). Следует отметить, что МТЗ 82 – это модернизированная версия МТЗ-80. Такой трактор прост в обслуживании.
Особенности строения КП МТЗ (80/82)
Установленная на тракторе коробка включает надежно зафиксированные валы (первичный / вторичный). Данные элементы установлены в корпусе коробки.

КП трактора
Отлично справляются со своими заложенными функциями шестерни. На первичном валу встречаются приводные шестеренки 3…5 скорости. Также, система включает промежуточный вал. Данный элемент взаимодействует с шестерней 3 скоростной передачи. Смену передач стоит осуществлять на пониженных оборотах силовой установки, выжимается сцепление. Далее водитель задает необходимый режим поездки.
В целях уменьшения скоростного режима на данном транспорте производителем устройство коробки передач было установлено ходоуменьшителем. Он представляет собой редуктор, комплектующийся шестеренками. Ходоуменьшитель присутствует на сельскохозяйственных автомашинах, которые необходимы для обработки почв. Отличительная черта данного агрегата в том, что он имеет повышенный рабочий ресурс, малые габариты.
Схема КПП
Система сцепления гарантирует защиту имеющегося мотора от высоких нагрузок. Также, к основным элементам коробки МТЗ-82 относится корпус, механизм переключения передач. Двигатель и система трансмиссии рассчитаны на высокие нагрузки, благодаря чему они могут функционировать в сложных условиях продолжительное время. К двигателю трактора МТЗ 82 относится раздаточная коробка, которая обеспечивает передачу момента силы от КПП к карданному приводу.
Для оптимальной работы системы следует заливать масло до уровня нижней кромки контрольного отверстия. Какое масло рекомендуется применять в КП МТЗ 82? Положительные отзывы имеет масло Нигрол, которое не имеет присадок в своем составе. Данная жидкость сохраняет свои рабочие характеристики в широком диапазоне температур, имеет оптимальный показатель вязкости.
Характер неисправности коробки передач трактора МТЗ 80
Неисправности и поломки в коробке передач возникают как в результате естественного износа имеющихся здесь элементов, так и при отсутствии должного ухода за данной системой со стороны водителя. В частности, не рекомендуется дергать рычаг, переводя его из одного режима в другой.
Признаки того, когда необходим ремонт коробки передач МТЗ 80:
- большой свободный ход рычага;
- трудность переключения скоростей;
- посторонние шумы со стороны КПП.
Основная причина данных признаков – это износ составляющих запчастей КПП. При любом из перечисленных проявлений коробки передач на МТЗ 80 или 82, целесообразно провести общую диагностику системы трансмиссии.
Раздаточная коробка МТЗ 82 подлежит периодическому техническому обслуживанию. Данная процедура включает замену смазки. Это необходимо для того, чтобы не произошел преждевременный износ роликов, ведомой обоймы муфты свободного хода.
В ряде случаев, причина стуков может крыться в том, что имеется поломка зубьев шестерен. Периодически владелец трактора должен осуществлять подтяжку резьбовых соединений.
Ремонт КПП начинается с демонтажа коробки передач МТЗ 82 / 80. Такая процедура актуальна, если имеются изношенные подшипники. Данные расходные элементы подлежат замене. При появлении скрипов необходимо проверить состояние шестеренчатых валов. Как правило, требуется их регулировка.
Проверить вилку переключения необходимо, если стал появляться люфт переключателя, благодаря которому задается оптимальный режим. При поломке (износе) вилок переключения происходит выпадение кулисы, возникает нарушение регулировки тяг. При этом следует проверить состояние зубьев шестеренок, фиксаторов. Вилки можно менять как в сборе, так и по отдельности. Осуществить проверку зазоров цапфы отводки, вилки включения КПП на МТЗ 80 необходимо, если отмечается непроизвольное включение скоростных режимов. Оптимальный зазор равняется 2,2 миллиметра.
Уделять внимание нужно и сцеплению. Если оно имеет на транспорте неправильную регулировку, то это нередко является следствием того, что коробка передач осуществляет некорректную работу.
При капитальном ремонте системы трансмиссии осуществляется снятие КПП, которая подлежит полной переборке. Данная процедура нужна, чтобы заменить имеющиеся здесь изношенные комплектующие детали. Капитальный ремонт лучше доверить мастерам, которые работают в автомастерских, где имеется подъемное оборудование, диагностические стенды. Сборка осуществляется в обратном порядке.
Заменять изношенные детали следует на аналогичные, оригинального производства. Это будет являться гарантией того, что они не выйдут преждевременно из строя, следовательно, это может привести к дорогостоящему ремонту автомобильной системы.
Таким образом, присутствующая на колесном тракторе коробка скоростей (МТЗ) является надежным узлом. Периодически необходимо проходить ее техническое обслуживание, осуществлять чистку, смазку, чтобы минимизировать риск появления серьезных поломок.
Обозначения
Схема переключения передач МТЗ-82 приведена ниже. Работа осуществляется двумя рычагами (элементом управления позициями и вторым аналогом понижающего редуктора). Выбор нужных передач и диапазонов редуктора выполняется в соответствии с соответствующими позициями. Сначала включается 1-й или 2-й диапазон, после чего рычаг переводится в нейтральное положение, производится выбор дальнейшей передачи.
Контроллер понижающего редуктора во время работы техники должен быть активирован: заднее положение – убыстряющая ступень («заяц») либо вперед на замедляющей позиции («черепаха»). Позволяется удерживать рычаг редуктора в нейтральной позиции для облегчения пуска мотора при отрицательной температуре воздуха.

1 – гайка промежуточного ВОМ. 2 – вал промежуточного типа. 3 – основной ВОМ. 4 – ведомая шестеренка понижающего ВОМ. 5 – корпус КПП. 6 – стакан заднего вала. 7 – шестеренка скользящего типа для 4 и 5 передачи. 8 – шестеренка 3-го диапазона. 9 – ползунок. 10 – ВОМ вторичный. 11 – шариковый элемент. 12 – люк КПП.
13 – пробка для залива. 14 – опора шаровая. 15 – рычаг переключения КПП. 16 – защитный кожух. 17 – штифтовый элемент. 18 – рамочная деталь. 19 – валик. 20 – шариковый переключатель. 21 – выключатель. 22 – регулировочные прокладки. 23 – уплотнители корректирующие. 24 – гайка. 26 – шестерня ведущая. 27/29 – подшипники конической конфигурации. 28 – шайба упорная.
30 – крыльчатка. 31 – седло внутреннего валика. 32 – втулка. 33 – вал внутренний. 34 – подшипниковая группа. 35 – втулка. 36 – шестерня 2 ступени редуктора. 37 – шестерня 1 ступени. 38 – шестеренка промежуточная. 39 – подшипник. 40 – шестерня 3 передачи. 41 – ведомый зубчатый элемент 4 диапазона. 42 – шестеренка заднего хода. 43 – ось. 44 – шестерня 5 передачи. 46 – ось. 47 – шестеренчатый элемент редуктора понижающего.
Ремонт КПП трактора МТЗ-80
Большой свободный ход рычага переключения КПП МТЗ-80, неполный выход шестерен из зацепления, самопроизвольное выключение передач свидетельствуют об износе поверхностей трения вилок переключения, кулисы, пазов скользящих кареток, потере упругости пружин фиксаторов (рис. 2.6.1).

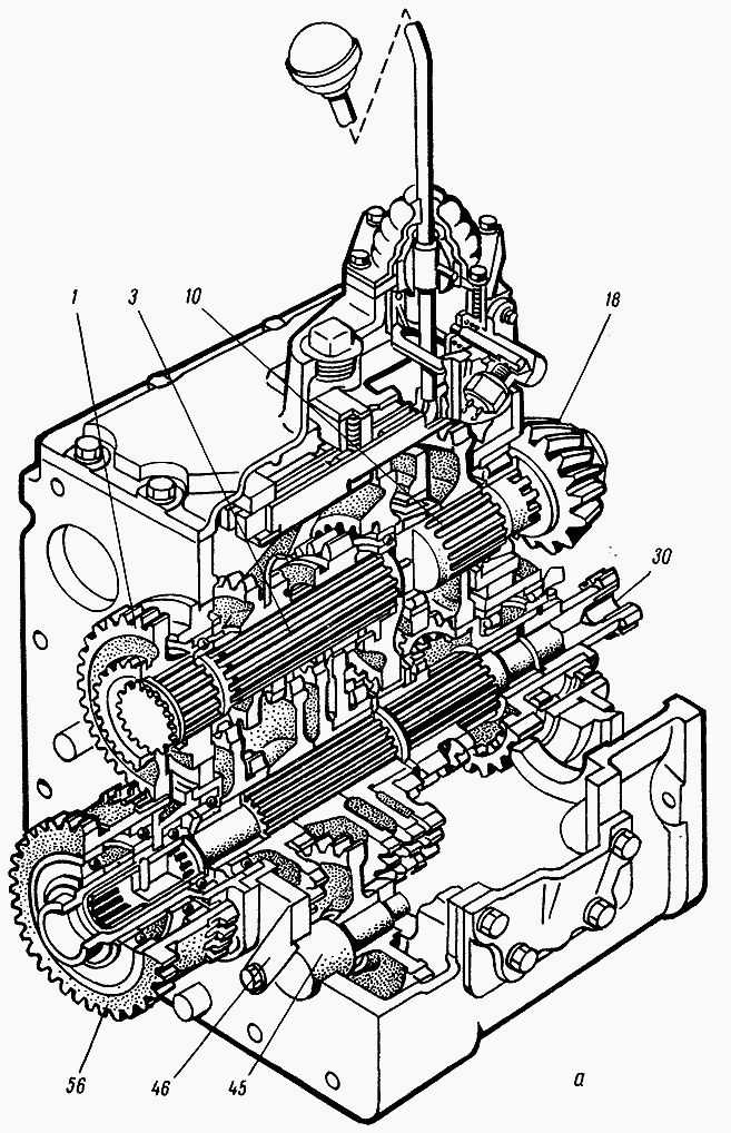
Рис. 2.6.1. Коробка передач МТЗ-80
б — взаимное расположение деталей; 1 — ведомая шестерня понижающего редуктора; 2 — стакан первичного вала; 3 — первичный вал; 4, 6, 31, 34, 36, 50, 55, 62, 63, 65, 70, 73 — кольца; 5, 9, 11, 16. 33, 37, 48, 54, 58, 60, 64, 72 — подшипники; 7 — скользящая шестерня 4-й и 5-й передач; 8 — скользящая шестерня 3-й передачи; 10 — вторичный вал; 12 — распорная втулка; 13 — ведомая шестерня II ступени редуктора; 14 — регулировочная прокладка; 15 — стакан; 17, 27 — шестерня 5-й передачи и заднего хода; 23 — ведомая шестерня 4-й передачи; 24 — промежуточный вал; 25 — ведомая шестерня 3-й передачи; 26 — промежуточная шестерня; 28 — упор; 29 — ведущая шестерня I ступени редуктора; 30 — внутренний вал; 32 — крыльчатка; 35 — стакан ведущей шестерни II ступени редуктора; 38, 52 — гнезда; 39 — ведущая шестерня II ступени редуктора со втулкой; 40, 51, 57— втулки; 43 — корпус коробки передач; 44 — промежуточная шестерня заднего хода; 45 — ось промежуточной шестерни заднего хода; 46 — планка; 47 — гнездо подшипника; 49 — гайка промежуточного вала; — заглушка; 56 — промежуточная шестерня понижающего редуктора; 59, 61 — маслоотражательные шайбы; 66 — ведомая шестерня включения ходоуменьшителя; 67 — ведомая шестерня 1-й передачи и заднего хода со втулкой; 68 — вал 1-й передачи и заднего хода; 69 — свертная втулка; 71 — скользящая шестерня 1-й передачи и заднего хода

Если неисправности обнаруживаются при включении или выключении 1-й передачи и заднего хода, то снимают боковую крышку, а затем вилку переключения.
При обнаружении следов износа и толщине щек вилки менее 8,0 мм вилку 1-й передачи и заднего хода заменяют. Наряду с этим проверяют техническое состояние сопряжений вилок переключения и скользящих кареток.
Для этого снимают вилки и поочередно вставляют их в соответствующие пазы скользящих кареток, проверяя зазор между ними. Если зазор превышает 1,5 мм, вилку заменяют. Блок шестерен заменяют при ширине паза более 10,8 мм.
Появление посторонних шумов в коробке переключения передач МТЗ-80, чрезмерный нагрев отдельных участков корпуса указывают на разрушение или заклинивание подшипников валов.
Чтобы выявить и устранить эти дефекты, из коробки передач сливают масло, снимают пол кабины и крышку коробки передач; при необходимости снимают боковые крышки или раздаточную коробку.
После этого монтажным ломиком проворачивают все доступные для проверки валы, воздействуя на них в осевом и радиальном направлениях. При проверке обоймы подшипников не должны проворачиваться в своих гнездах, а какие-либо перемещения валов не должны ощущаться.
Если обнаруживают следы износа подшипников, их посадочных мест, легко ощутимые перемещения валов, то коробку передач снимают с трактора и разбирают, заменяя изношенные подшипники.
Стуки в КПП МТЗ-80, исчезающие при переключении на другую передачу, могут свидетельствовать об усталостном разрушении или выкрашивании зубьев отдельных шестерен.
Оценить степень износа или обнаружить дефекты зубьев шестерен можно при снятых крышках коробки передач и снятой раздаточной коробке.
Для проверки рекомендуется поддомкратить одно из ведущих колес трактора и, прокручивая его, осмотреть зубья всех видимых шестерен. При обнаружении дефектов шестерен коробку передач разбирают в последовательности, показанной на рис. 2.6.2—2.6.30, изношенные детали заменяют.
После снятия механизма переключения (см. рис. 2.6.2) проверяют наличие следов износа на наконечнике рычага переключения передач и контролируют размеры деталей: толщину щек вилок, зазор между планками переключения (рис. 2.6.31) и т. д.
При наличии видимых следов износа на наконечнике рычаг переключения заменяют. Вилки заменяют при толщине щек менее 8,2 мм. Зазор между планками переключения должен находиться в пределах 0,3— 1,6 мм.

Рис. 2.6.2. Снятие механизма переключения передач КПП МТЗ-80
1 — корпус вилок переключения; 2 — корпус коробки передач; 3 — болт

Рис. 2.6.4. Выпрессовка промежуточной шестерни понижающего редуктора
1 — шестерня; 2 — корпус коробки передач; 3 — съемник

Рис. 2.6.5. Снятие стопорного кольца ведомой шестерни понижающего редуктора
1 — стопорное кольцо; 2 — ведомая шестерня

Рис. 2.6.6. Выпрессовка стакана первичного вала
1 — стакан первичного вала; 2 — первичный вал; 3 — технологический болт; 4 — болт

Рис. 2.6.7. Снятие стопорного кольца подшипника первичного вала МТЗ-80
1 — стопорное кольцо; 2 — подшипник; 3 — первичный вал; 4 — стакан первичного вала

Рис. 2.6.8. Выпрессовка первичного вала
1 — первичный вал; 2 — стакан; 3 — съемник

Рис. 2.6.9. Снятие вилки переключения редуктора
1 — вилка переключения; 2 — валик переключения

Рис. 2.6.11. Выпрессовка внутреннего вала
1 — гнездо внутреннего вала; 2 — корпус коробки передач

Рис. 2.6.13. Выпрессовка стакана подшипника ведущей шестерни II ступени редуктора
1 — стакан; 2 — крыльчатка; 3 — корпус коробки передач; 4 — технологический болт

Рис. 2.6.14. Выпрессовка ведущей шестерни II ступени редуктора из стакана
1 — шестерня; 2 — стакан; 3 — съемник

Рис. 2.6.16. Отворачивание гайки крепления внутреннего вала
1 — гайка; 2 — гнездо подшипника; 3 — корпус коробки передач МТЗ-80

Рис. 2.6.17. Выпрессовка промежуточного вала
1 — промежуточный вал; 2 — корпус коробки передач; 3 — съемник

Рис. 2.6.19. Снятие стопорной планки оси промежуточной шестерни
1 — стопорная планка; 2 — ось промежуточной шестерни

Рис. 2.6.20. Выпрессовка вала 1-й передачи и заднего хода

Рис. 2.6.21. Спрессовка подшипника с вала 1-й передачи и заднего хода
1 — подшипник; 2 — вал 1-й передачи и заднего хода; 3 — съемник

Рис. 2.6.22. Снятие ведущей шестерни главной передачи
1 — ведущая шестерня; 2 — болт

Рис. 2.6.24. Снятие вторичного вала КПП МТЗ-80
1 — вторичный вал; 2 — ведомая шестерня II ступени редуктора

Рис. 2.6.25. Спрессовка внутренней обоймы подшипника со вторичного вала
1 — внутренняя обойма; 2— вторичный вал; 3 — съемник

Рис. 2.6.26. Выпрессовка подшипника из вторичного вала
1 — подшипник; 2 — вторичный вал; 3 — цанга; 4 — инерционный съемник

Рис. 2.6.29. Запрессовка подшипника во вторичный вал КПП
1 — подшипник; 2 — вторичный вал; 3 — наставка

Рис. 2.6.30. Напрессовка внутренней обоймы конического подшипника на вторичный вал
1 — внутренняя обойма подшипника; 2 — вторичный вал; 3 — наставка; 4 — съемник

Рис. 2.6.31. Проверка бокового зазора между планками переключения передач
1 — планки переключения; 2 — корпус вилок переключения; 3 — щупы
Допустимые размеры деталей механизма переключения передач, мм
Диаметр валика механизма переключения передач — 24,85
Диаметр сферического наконечника рычага переключения передач — 14,85
Диаметр отверстия вилки переключения под валик — 25,08
Диаметр пазов в валике переключения под фиксаторы — 10,5
Толщина щек вилок переключения — 8,2
Ширина кольцевого паза скользящей шестерни под вилку переключения — 9,3
Осевой зазор в подшипниках вторичного вала КПП МТЗ-80 проверяют индикатором. Для этого ножку индикатора упирают в торец зуба шестерни и монтажным ломиком перемещают вторичный вал в осевом направлении (рис. 2.6.32).
Осевой зазор в конических подшипниках вторичного вала не должен превышать 0,3 мм. Следует иметь в виду, что большой осевой зазор может возникнуть не только из-за износа подшипников, но и самопроизвольного отворачивания гайки крепления вторичного вала.
Для регулировки осевого зазора отворачивают болты крепления и выпрессовывают стакан подшипника вторичного вала. Изменяя толщину прокладок, устраняют осевое перемещение вала (рис. 2.6.33).
После регулировки осевого зазора проверяют установочную высоту ведущей шестерни главной передачи (рис. 2.6.34). Она должна быть в пределах 57,85—58,15 мм.
Если результаты замера отличаются от допустимых значений, то снимают ведущую шестерню и либо шлифованием регулировочной втулки, либо установкой втулки большей толщины добиваются требуемой установочной высоты ведущей шестерни главной передачи.

Рис. 2.6.32. Проверка осевого зазора в подшипниках вторичного вала коробки передач МТЗ-80
1 — вторичный вал; 2 — индикатор; 3 — монтажный ломик; 4 — корпус КПП

Рис. 2.6.33. Регулировка осевого зазора в подшипниках вторичного вала
1 — стакан вторичного вала, 2 — регулировочные прокладки; 3 — технологические болты

Рис. 2.6.34. Проверка установочной высоты ведущей шестерни главной передачи
1 — штангенглубиномер; 2 — линейка; 3 — ведущая шестерня
Раздаточная коробка МТЗ-80
Основные неисправности раздатки МТЗ-80 (рис. 2.7.1): износ рабочих поверхностей обгонной муфты или роликов, потеря упругости прижимных пружин, износ вилки включения муфты.

Рис. 2.7.1. Раздаточная коробка МТЗ-80
а— общий вид, б — взаимное расположение деталей; 1 — гайка; 2 — фланец; 3 — манжета; 4 — корпус; 5 — прокладка; 6, 14, 22, 26, 29, 33 — подшипники; 7 — вал; 8 — рычаг; 9, 18 — пружины; 10 — стойка; 11, 12 — тяги; 13 — корпус раздаточной коробки; 15 — шайба; 16 — крышка; 17 — штифт; 19 — пробка; 20 — ролик; 21, 25 — втулки; 23, 28, 34 — кольца; 24 — винт; 27, 31 — шестерни; 30 — ось; 32 — обойма; 35 — муфта; 36 — вилка; 37 — валик с рычагом

Если при буксовании задних колес передний ведущий мост не включается, то это свидетельствует о неисправности обгонной муфты раздаточной коробки.
Для устранения неисправностей разбирают раздаточную коробку (рис. 2.7.2—2.7.7), измеряют диаметры посадочных мест и заменяют изношенные детали.

Рис. 2.7.2. Снятие фланца карданного вала и шестерни с обгонной муфтой в сборе
1 — фланец кардана; 2 — обгонная муфта в сборе; 3 — корпус раздаточной коробки

Рис. 2.7.3. Отворачивание гайки вала раздатки МТЗ-80
1 — гайка; 2 — корпус раздаточной коробки

Рис. 2.7.4. Выпрессовка втулки обгонной муфты
1 — шестерня; 2 — съемник

Рис. 2.7.5. Снятие штифтов обгонной муфты
1 — штифт; 2 — шестерня

Рис 2.7.6. Спрессовка обоймы обгонной муфты
1 — обойма; 2 — шестерня; 3 — двухлапчатый съемник

Рис. 2.7.7. Спрессовка подшипника со втулки обгонной муфты
1 — подшипник; 2 — втулка; 3 — двухлапчатый съемник
Устройство и принцип работы коробки передач МТЗ 80
Картер и нагнетатель
Картер в схеме переключения передач МТЗ-82 оборудован двумя шестернями. Узел оснащается прочными опорами и широким блоком в нижней части. На оборудовании имеется две накладки, стаканы устанавливаются в боковом сегменте блока. Они оборудованы широкими втулками, которые подвержены стиранию при значительной нагрузке.
Механизм нагнетания представляет собой диски, оснащенные прокладками низкой эластичности. Стойки детали имеют небольшие выступы, нижняя опора зафиксирована намертво. Данный узел необходимо регулярно очищать, так как он подвержен забиванию отработанным машинным маслом.

Диагностика и устранение неполадок
Рассмотрим наиболее распространенные неполадки в работе КПП МТЗ «Беларус» и способы их устранения.
| Неисправности | Устранение |
| Возникающий в процессе переключения передач скрип может указывать на неполадки дисков сцепления или неверно отрегулированное зацепление зубчатых колес. | При этом необходимо выполнить замену изношенных или поврежденных узлов. Если эта мера не принесет результата, проверяют, чтобы находящаяся в блоке управления кулачками пружина при наибольшем сжатии имела длину не более 32 мм. Если указанные действия не решают проблему скрипа, снимается крышка КПП МТЗ на сцеплении и крышка на редукторе понижения, и выполняется проверка зазоров между накладками тормозящего диска коробки, а также между цапфами отведения и включающей вилкой. |
| Многие неполадки связаны с дефектами и износом вилок переключения, фиксирующих элементов, а также валов и подшипников. Достаточно часто передача плохо включается или КПП не работает из-за зацепления определенных шестерен. | В случае заклинивания подшипников из коробки сливают масло, после чего демонтируют корпус КПП и пол кабины трактора. Используя монтажный лом, все валы вращают вокруг своей оси, а затем в направлении радиуса. В случае выявления ощутимого сопротивления или смещения подшипников необходимо полностью демонтировать КПП, выполнить ее разборку и полную замену неисправных органов. |
| Причиной неполадок может быть и вторичный вал. | Его проверяют при помощи специального прибора, уделяя особое внимание зазорам во вращательных опорах. Для этого индикатор упирают ножкой в торцевую часть шестереночного зубца и проверяют ось вторичного вала. Существуют различные причины возникновения щелей и зазоров в оси, вплоть до ненадежного закрепления гайки. Не стоит сразу принимать решение о приобретении новых подшипников — сначала следует проверить надежность затягивания гайки. |
В случае выявления осевого зазора коробку отсоединяют от заднего моста трактора, выпрессовают стакан подшипника вторичного вала, отключением скорости и проверяют уровень затягивания сборочного узла. Проверка осуществляется при помощи динамометрического ключа.
Модификации КПП на тракторах «Беларус»
В тракторах модели МТЗ 82 устанавливаются три вариации КПП: коробка с мобильными зубчатыми колесами, а также модификации с постоянным зацепом, с нагрузкой и синхронизацией. Возможный ремонт коробки передач трактора может потребовать знания устройства и принципа действия той или иной разновидности КПП. КПП с подвижными зубчатыми колесами предусматривает 22 передачи, 18 из которых являются передними, 4 — задними. Конструкция коробки также включает в себя уменьшитель хода, обеспечивающий возможность переключать скорости в замедленные режимы.
Сама КПП смонтирована в корпус, понижающий редуктор расположен в корпусе, который соединяющем мотор и коробкой передач. Внутри коробки расположены первичный, вторичный и промежуточный валы, а также вал реверса и сниженной передачи. Вал отбора мощности располагается внутри промежуточного вала коробки передач. Редуктор КПП предусматривает две степени: первая отвечает за переключение передач 1, 3, 4 и 5, вторая — за все остальные. При этом механизм переключения скоростей включает в себя прямоугольный ползунок, на котором установлены вилки переключения и шариковый фиксатор.
Вторая схема переключения передач МТЗ 82 — переключение под нагрузкой. В данном случае коробка передач оснащается зубчатыми колесами, постоянно находящимися в зацепе. Система гидроуправления фрикционами (гидропрожимными муфтами) позволяет переключать передачи без прерывания подачи мощности, в результате чего динамические показатели трактора существенно повышаются.
Коробка передач с нагрузкой существенно облегчает процедуру включения и переключения передач, поскольку в момент активации водителю трактора не приходится обеспечивать контроль за сцеплением и подачей топливной смеси. В КПП с нагрузкой используется 32 передачи, 24 из которых являются передними, 8 — задними. В случае дополнительной установки ходоуменьшителя на две передачи количество задних скоростей вырастает до 16.
Аналогично первой вариации, сборка коробки с нагрузкой включает в себя редукторную часть, гидравлический блок и непосредственно систему переключения.
Работа с реверсным редуктором
Схема переключения передач МТЗ-82 нового образца предусматривает использование для управления рычага контроля диапазонов и аналогичного элемента редуктора реверсного типа. Выбор позиций и ступеней производится вперед или назад путем включения рычагов в соответствующие положения. Дальнейшая работа узла аналогична функционированию КПП с понижающим редуктором.

Редуктор имеет пару ступеней, в первом положении включают 1-ю, 3-ю, 4-ю и 5-ю передачу переднего движения либо первую скорость в заднем направлении. Остальные диапазоны активируются посредством второй ступени. После зацепления ведущей шестерни с внешним венцом вторичного вала активируется первая ступень. После смещения зубчатого элемента назад до полной агрегации с внутренним венцом – включается вторая ступень.
Двухвенцовая шестеренка перемещается на первичном валу, в зависимости от ступени редуктора, и включает 5-ю или 6-ю передачу (движение вперед), 4-ю и 7-ю скорость (движение назад). Скользящий зубчатый элемент третьей передачи при перемещении в переднее положение, активирует 5-ю или 6-ю позицию. Передвигаясь назад, эта же деталь соединяет внутренний зубец вторичного вала с первичным аналогом, обеспечивая 9-й прямой диапазон работы КПП. Смещение скользящей шестеренки назад на приводе соответствует первой и второй передней скорости, они включаются, а движение назад способствует активации заднего хода.
МТЗ-82: схема переключения передач, порядок переключения
Перед началом работ тщательно изучают схему. Основной принцип работы системы переключения режимов заключается в применении редуктора понижающего типа. Это позволяет удвоить количество штатных передач до 18 передних позиций и четырех задних скоростей. При переходе на пониженную или повышенную передачу диск сцепления нужно обязательно отключить. Для этого необходимо просто выжать педаль трансмиссии до упора, после чего используют рычаги управления КПП.

Схема переключения передач МТЗ-82 (порядок переключения):
- Силовой агрегат должен функционировать на холостом ходу.
- До упора выжимается педаль сцепления.
- Втыкается требуемая позиция.
- Плавно нажимая на газ, медленно отпускают педаль сцепления.
У новичков может с первого раза не получиться, и трактор заглохнет. В таком случае повторите процедуру снова.
- https://mtz-80.ru/bez-rubriki/shema-kpp-mtz-80-2019
- https://technika66.ru/mtz-82-ne-rabotayut-peredachi/
- https://FB.ru/article/343844/mtz—shema-pereklyucheniya-peredach-poryadok-pereklyucheniya-rejimov
- https://kranigruz.ru/korobka-peredach-82/



