- Технические характеристики МТЗ 92п
- Характеристики мотора
- Описание кабины
- Топливо
- Машиночас
- Как считать моточасы
- Подсчёт моточасов по учёту времени работы
- Подсчёт моточасов по расходу топлива
- В зависимости от конструктивных особенностей, в данный момент, выделяют следующие счетчики времени наработки:
- Основные узлы экскаватора погрузчика
- Установка устройства
- Замена щитка на тракторе
- Достоинства и недостатки
- Панель старого образца
- Зачем нужно считать моточасы
- Где купить щиток приборов на МТЗ
- Основными узлами счетчика времени наработки являются:
- Как рассчитываются моточасы
- Настройки прибора
- В зависимости от назначения выделяют следующие счетчики времени наработки:
Технические характеристики МТЗ 92п
- Размеры агрегата 3 850 х 1 970 х 2 850 мм.
- Полная масса без топлива 3 тонны 900 кг.
- Высота клиренса 46,5 см.
- Значение колесной базы 245 см.
- Размер колеи: передние колеса 166 см, задние колеса 150…210 см.
- Предел массы поднимаемого груза 4 тонны.
- Общее давление машины на поверхность поля 140 кПа.
Характеристики мотора
По решению конструкторского бюро на трактор МТЗ 92п ставится дизельный мотор Д-245.5 с четырьмя рабочими цилиндрами. Моторы такой марки охлаждаются исключительно жидкостным способом. Наддув совершается газотурбинным механизмом.
- Рабочий объема мотора 4,75 литра.
- Рабочая мощность установки 88,7 л.с.
- Как работают цилиндры: первый – третий – четвертый – второй.
- Расчетный уровень сжатия 15,1.
- Чистая масса, без учета заливаемого моторного масла, равна 450 кг.
- Габариты 1 033 х 671 х 1 163 мм.
Описание кабины
Кабину сделали для одного сидящего работника. При желании с ним могут передвигаться стоящие пассажиры или помощники. Подрессоренное кресло подгоняется по высоте под потребности водителя. Кабина утеплена, имеет шумовую защиту среднего уровня. К внешним каркасам кабины приварены зеркала для заднего обзора. На лобовом стекле сделан противосолнечный козырек. Электрические очистители стекол установлены на переднем и заднем стекле. Предусмотрен плафон для местного освещения. Трехсекционное стекло за спиной водителя может открываться.
Топливо
Технические характеристики Беларуса 92п по топливному расходу выглядят так: одной лошадиной силой за час работы сжигается 160 грамм дизельной смеси. Рабочий показатель расхода топлива достигает 14…14,5 литров. Бак при полной заправке вмещает 130 литров ДТ.
Машиночас
Сразу нужно отметить, что моточас и машиночас не являются синонимами и под собой подразумевают совершенно разные понятия. Также не стоит путать машиночас с производительностью машины в единицу времени.
Как, говорилось выше, моточас в большей степени является техническим критерием выражает время выработки машины в эквиваленте его номинальной нагрузки, а машиночас является экономическим показателем, который выражает себестоимость затрат на 1 час, выполненных определённых работ конкретной машиной, трактором или производственным оборудованием. То есть понятие машиночас формализует экономические затраты на использование машин и оборудования в производственных процессах, и вместе с остальными статьями затрат участвует в формировании конечной себестоимости выполнения технологического процесса производства, либо выпуска продукции или предоставления услуги.

Формирование машино-часа
Говоря простым языком — машиночас представляет собой калькуляцию, состоящую из нескольких статей затрат в час:
- расход ГСМ
- амортизационные отчисления
- заработная плата обслуживающего персонала
- другие затраты связанные с работой техники
Нужно отметить, что такой инструмент учёта затрат как машино-час активно применялся во времена планового хозяйства экономики СССР, где основная часть затратных статей была неизменной долгое время и позволяла их объединить в общий учётный инструмент, упрощая алгоритм ведения расчёта себестоимости производственных процессов. Сегодня практикуется использование данной единицы в учёте с использованием специальных бухгалтерских компьютерных программ, которая обеспечивает автоматический пересчёт при изменении переменных в составе машино-часа.
Как считать моточасы
Данный вопрос задают себе пользователи, которые не имеют в составе своей техники счётчика моточасов. Строго говоря в данном случае подсчитать точно моточасы невозможно. Существует два способа, которые дают примерные, несколько субъективные результаты без помощи счётчика моточасов.

Подсчёт моточасов по учёту времени работы
Первый вариант заключается в следующем.
Для начала нужно просто учитывать фактическое время работы двигателя. Это время не будет соответствовать моточасам, но используя примерный коэффициент можно приблизить значение к истине.
В случае, если двигатель эксплуатируется в режиме не полной или частичной нагрузки значение учтённого фактического времени работы умножается на коэффициент меньше единицы 1˃Х, что уменьшает значение время фактической работы, приближая объективность результата.
Если двигатель машины работает в большей степени на больших нагрузках в соответствии с его техническими характеристиками то можно прировнять фактическое время работы к моточасам.
В случае, когда эксплуатация производится с перегрузками время то работы умножают на коэффициент больше единицы 1˂Х, получая результат в моточасах больше фактического времени работы.
Точность применения такого метода естественно будет зависеть от объективности оценки нагрузки на двигатель и вытекающего из него подобранного коэффициента.
Подсчёт моточасов по расходу топлива
Второй метод заключается в переводе израсходованного топлива в моточасы. То есть имея паспортные характеристики машины по расходу топлива, а обычно расход указывается из номинального режима работы двигателя, можно вывести значение количества израсходованного топлива на один моточас. Нужно перевести расход топлива из единиц указанных в технических характеристиках, на расход в литрах. Полученное количество топлива и будет соответствовать одному моточасу работы данной машины.

Например, трактор МТЗ 80.1 по тех. характеристикам имеет расход 244 грам на один кВт в час. Переводим расход на литры в час на полную мощность двигателя в 60 кВт, перемножаем 244гр. Х 60кВт=14640 гр или 14,64 кг. Для удобства переведём килограммы в литры учитывая коэффициент плотности дизельного топлива 14,64 кг Х 1,19 =17,42 литра.
То есть для трактора МТЗ 80.1 наработка одного моточаса будет соответствовать расходу топлива в 17,42 литра. Деля фактический расход топлива машины на полученное количество удельного расхода топлива в 1 моточас получаем итоговое время наработки моточасов.
Если данных расхода топлива нет его можно установить опытным путем, обеспечив учёт расхода топлива двигателем на номинальных нагрузках в единицу времени, на пример в течении часа. Правда объективность учёта расхода будет зависеть от правильности настройки топливной системы.
В зависимости от конструктивных особенностей, в данный момент, выделяют следующие счетчики времени наработки:
— электромеханические – соединяющие в себе механические части привода или механического регистратора с электронной начинкой преобразователя. Примером служат счетчики «СВН-2-01» и «СВН-2-02».
— электронные – полностью электронные механизмы, принцип действия которых основан на применении электросхем. Примером таких счетчиков служат счетчики «СВН-1М-1» и «СВН-1М-220».
— цифровые – миниатюрные микропроцессорные устройства, имеющие программное обеспечение, способные выводить на экран дисплея различные показатели работы двигателя или других технологических процессов. Примером служат микропроцессорный счетчик «СИ8», некоторые модели «СВН-2-3.1» и, пожалуй, «СВНЭ-1».
Основные узлы экскаватора погрузчика
В качестве базового трактора используются трактора МТЗ «Беларус 92П» с передним мостом балочного типа. Высокое качество сборки и запчастей. Даже если приобрести новый экскаватор МТЗ в Челябинске, нужно обеспечить определенный минимум запчастей.

Как устроен трактор МТЗ 80?

Стоит отметить, что цена спецтехники должна рассматриваться в разрезе сравнения с эффективностью ее использования. Расчетный уровень сжатия 15,1.

Укомплектован погрузчик базовой комфортной кабиной, имеющей немалый объём и панорамное стекло.


Узлы и детали экскаваторов могут выдерживать колоссальные нагрузки, как механические, так и температурного характера, ведь для их производства была применена полуавтоматическая сварка аргонная и с использованием СО2. Технические характеристики некоторых экскаваторов Экскаватор ДЭМ Экскаватор имеет максимальный вылет стрелы — 5,35 метра, для осуществления погрузки — 1,70 метра, максимум по высоте копания — 5,10 метра и обладает максимальной высотой погрузки — 3,40 метра, максимум по глубине копания — 4,42 метра. Экскаватор погрузчик ЭП-Ф-П ( МТЗ 92П)

Установка устройства
Тахометры могут устанавливаться на любые двигатели. Силовой агрегат тракторов марки МТЗ работает на дизельном топливе, и интеграция в бортовую систему тахометра имеет некоторые особенности.

В любом случае тахометр считывает импульсы или определяет интенсивность магнитного поля и вихревых токов. Все это он затем пересчитывает в понятное пользователю количество оборотов. Только если у бензинового двигателя устройство работает с импульсами, поступающими на катушку зажигания, то у дизельного – с поступающими с W-вывода генератора.
Монтаж устройства не представляет сложностей, хотя при сомнениях в своих силах лучше обратиться к опытному мастеру.
Как же подключить тахометр на трактор? С силового блока транспортного средства снимают защитный кожух. На генераторе находят клемму, обозначенную буквой «W», и подключают к ней провод устройства.
Следующий шаг – нужно замкнуть контакт, отходящий от масляного насоса высокого давления. Это необходимо для обеспечения точности показаний тахометра. Если этот шаг пропустить, на приборной панели может неконтролируемо зажигаться лампочка, отвечающая за давление в системе масла.

Не всегда клеммы генератора транспортного средства идентифицированы, и если вывод «W» найти не удалось, следует воспользоваться следующим способом. Генератор для этого придется разобрать, найти в нем три провода, которые соединяют обмотку со встроенным выпрямителю и один из них (любой) соединить с приготовленным заранее отрезком провода, тщательно заизолировав место соединения. Затем генератор собирают в обратном порядке, а новый провод выводят наружу, следя, чтобы он не касался движущихся частей трактора. К нему и присоединяют тахометр. Само устройство крепится на приборной панели, в любом ее месте, но оно не должно перекрываться рулем, чтобы постоянно быть перед глазами.
Замена щитка на тракторе
Электрическая система, важной частью которой является приборная панель данного трактора, представляет собой один из основных элементов его конструкции. При этом владельцам подобных устройств нередко приходится сталкиваться с различными неисправностями, делающими невозможной корректную эксплуатацию МТЗ.

Схема щитка приборов
Чаще всего приходится сталкиваться с некорректным отображением рабочих показателей при включении зажигания либо активации отдельных функций, например, освещения, отопительной системы или нажатии педали тормоза. Подобная проблема может свидетельствовать о серьезной поломке, кроющейся в электросхеме устройства.
С высокой вероятностью она сигнализирует об отсутствии соединения с плюсовым или минусовым проводом. Для устранения может потребоваться «прозванивание» всего провода для поиска неисправного участка.
Нередко некорректная работа приборов может быть вызвана повреждением предохранителей, что потребует их немедленной замены. Поскольку ремонт отдельных элементов приборной панели представляется сложной процедурой, которая потребует от мастера высокой квалификации, многие предпочитают обращаться к специалистам.
Если же у владельца трактора есть желание восстановить работоспособность элемента самостоятельно, перспективным вариантом может стать полная замена панели и её подключение к электросхеме МТЗ. Для этого потребуется придерживаться следующего алгоритма действий:
- Отключить аккумулятор от сети трактора.
- Демонтировать крепежные элементы, посредством которых приборная панель установлена в кабине.
- Снять сломанное устройство, заменить его новым, которое потребуется подключить, руководствуясь электросхемой МТЗ 80.
- Установить крепеж.
Подобная процедура довольно проста, однако не подойдет для тех владельцев, которые не имеют необходимых знаний об электрической системе, реализованной в данной серии тракторов.
Достоинства и недостатки
Технические характеристики Беларуса 92п поделены на достоинства и недостатки.
К положительным чертам отнесли: усиленный каркас трактора; комфортную кабину нового поколения; высокий предел грузоподъемности; длинный список подключаемых приспособлений и механизмов. Ремонтируются и меняются все основные агрегаты, узлы трактора. Стоимость на комплектующие низкая, вместо оригинальных изделий можно устанавливать подобные изделия от других агрегатов. Две ведущие пары колес делают Беларус 92п вездеходом.
Из минусов можно выделить: тяжелый запуск мотора при отрицательной температуре; низкая скорость транспортировки; система подвески весьма жесткая, что ощущается на бездорожье; оригинальные комплектующие не самого лучшего качества.

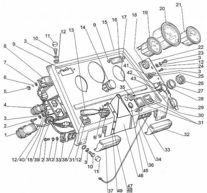
Панель старого образца
Данный щиток приборов (с каталожным артикулом 70Л- 3801010 для трактора с пускачём и 70-3801010 со стартерным пуском) устанавливался с 1974 года на МТЗ 80(82) с малой кабиной. Узел представляет собой корпус из листового металла с проёмом под ось руля.
В передней части на малой наклонной плоскости размещены слева направо отдельные механического типа датчики-указатели:
- температуры охлаждающей жидкости УК133-В
- амперметр АП110
- давления воздуха в пневмосистеме МД 226
- давления масла в двигателе МД 219
- тахоспидометр ТХ-135
- дополнительно на отдельном кронштейне с правой стороны прикреплён датчик уровня топлива в баке УБ 126.

Тахоспидометр ТХ 135

Датчик давления воздуха МД 226

Датчик давления масла МД 219

Датчик температуры охлаждающей жидкости УК 133В

Амперметр АП 110

Датчик уровня топлива УБ 126
На большой горизонтальной площади размещены ряд цветных сигнализирующих ламп, прикрытых щитком в положении слева направо:
- включения массы
- включения сигнала поворота
- включения дальнего света фар
За лампами, ближе к водителю размещён ряд переключателей:
- тумблер дальнего и ближнего света
- тумблер сигнала поворотов
- кнопка звукового сигнала
По правую сторону места для руля размещены:
- элемент ПД 50В(20) для контроля за степенью накала спирали электрофакельного подогревателя
- переключатель управления стартером(23).
В задней торцевой части щитка под крышкой находится блок плавких предохранителей электросистемы трактора и рукоятка переключателя режимов света фар.
На сегодня аналоги этой панели производятся различными производителями, которые могут отличаются дополнительным оборудованием кнопки аварийной остановки и электро-фитиля прикуривателя.
Зачем нужно считать моточасы
Выяснив как считать моточасы на тракторе, теперь можно переходить к вопросу, зачем эти подсчёты нужны. В первую очередь, ответ на этот вопрос кроется в особенностях самого процесса проведения подсчетов – он строится на количестве оборотов двигателя в минуту. Учитывая, что каждое подвижное механическое сочленение имеет свой обозначенный производителем запас прочности – можно заранее рассчитать время планового технического обслуживания двигателя. При этом зная, как работает счетчик моточасов на тракторе, несложно сделать это точно, опираясь на реальный износ коленвала, поршневой системы и других узлов силовой установки.
Знание реальных рабочих характеристик двигателя можно легко перевести моточасы в километры на тракторе в каждом отдельном случае. Существует специальная усредненная таблица, которая предполагает, что 1 м/ч для колесных тракторов составляет 10 километров, для гусеничных – 5 километров. Но для точного подсчета следует учесть множество факторов, начиная от скорости движения и заканчивая нагрузкой на двигатель. Кроме этого, конструкция датчика позволяет намотать моточасы, превратив любые подсчеты в бесполезное занятие. Хотя сегодня – это достаточно редкое явление, так как решение «накрутить» счетчик больше относится к «советскому времени». В то время моточас был одним из индикаторов продолжительности работы, а сегодня – средство экономии, контроля расхода топлива и работоспособности силового агрегата.
Где купить щиток приборов на МТЗ
При необходимости приобрести щиток приборов старого образца, владельцу тракторной техники данной серии потребуется ознакомиться с ассортиментом б/у изделий, поскольку подобный элемент не выпускается на сегодняшний день.
Основными узлами счетчика времени наработки являются:
— индикатор режима работы двигателя, который фиксирует, в зависимости от модели, частоту вращения вала, крутящий момент, температуру выпускаемых газов и другие параметры.
— датчик времени – часовой механизм, цифровой или механический с приводом.
— регистратор – в зависимости от модели может быть механическим (счетчик с барабанами, на которые нанесены цифры) либо цифровым (цифровой жидкокристаллический или диодный дисплей с запоминающим устройством)
В качестве датчика времени могут выступать электрические часы, полупроводниковые или магнитные устройства с кварцевыми или другими задающими стабильную частоту генераторами. Такой механизм характерен для счетчиков времени наработки, применяемых в авиационных двигателях.
На более простых двигателях, таких как двигатели тракторов, комбайнов, автомобилей, устанавливаются счетчики моточасов с механическим приводом, подсоединенным через редуктор от вала двигателя. Такие счетчики определяют время работы по числу оборотов двигателей, т.е. используют тахометрические данные. Тахометр — измерительный прибор, предназначенный для измерения количества оборотов в единицу времени. Тахометрические счетчики моточасов являются наиболее приемлемым вариантом, поскольку учитывают не только количество часов работы заведенного двигателя, но и нагрузку на него, а соответственно, могут дать более полную картину при определении момента, в который необходимо провести обслуживание двигателя или другого рабочего механизма.
Также, широко распространены счетчики времени наработки, в которых датчиком времени является пружинный часовой механизм с автоматическим подзаводом.
Существуют счетчики моточасов иностранного производства, например «MULLER BW40» или «TAXXO-612», однако, принцип действия таких счетчиков схож со счетчиками, представленными выше.
Как рассчитываются моточасы
Моточас – это особая единица измерения нагрузки, которую испытывает работающий мотор. Он соответствует одному астрономическому часу работы коленвала при холостых или умеренных оборотах (60 минут около 1500-1600 об/мин). Этот показатель не равен пробегу или времени работы и актуален в первую очередь для малокубатурных транспортных средств (мотоциклов, в том числе кроссовых), а также спецтехники, работа которой не оценивается по пройденному расстоянию.
Есть разные способы, как рассчитать моточасы:
- Самый точный – по оборотам коленвала. 1 моточас – это 96000 оборотов коленвала (для удобства можно округлить до 100 тыс.).
- По времени – это примерно один час холостой работы мотора.
- По выработанному топливу.

Моточасы показывают нагрузку рабочего трактора
Техника, объем работы которой считается не по пройденным километрам, оснащается специальным счетчиком, который подсоединяется к свечам и реагирует на искры. Это самый простой и надежный способ, как считать моточасы на тракторах, мотоблоках и другой технике.
Настройки прибора
Как настроить тахометр в тракторе МТЗ-82? Первым делом нужно настроить устройство на число цилиндров тракторного двигателя: 4, 6 или 8. Настраивается этот показатель на задней части прибора специальными переключателями количества цилиндров (нужно снять с устройства заднюю крышку).
Обычно таких переключателей два, и их нужно установить:
- оба в положение «вниз» – для четырехцилиндровых двигателей;
- оба в положение «вверх» – для восьмицилиндровых;
- переключатель №2 (они обозначены цифрами) вниз, а №1 вверх – для шестицилиндровых.
Более точно информацию о настройке тахометра можно узнать из его инструкции — некоторые модели настраиваются по другому принципу.

Следующий шаг – включение прибора. На обратной стороне почти всех тахометров два винта: калибровочный (его пока лучше не трогать) и второй, с делениями. На холостом ходу этот второй винт устанавливают так, чтобы тахометр показывал 550…1250 об/мин.
В зависимости от назначения выделяют следующие счетчики времени наработки:
— счетчики времени наработки моторной техники – стандартные счетчики моточасов, устанавливаемые например, на сельхоз технику. Сюда можно отнести практически весь модельный ряд счетчиков СВН-2, а также «СМ-1».
— счетчики времени наработки для технологических процессов – счетчики моточасов, используемые например на компрессорных агрегатах для подачи воды, аппаратах высокого давления, различных технологических станках и оборудовании. Это, в основном электронные устройства, например «СВН-1» и «СВН-2» и «УК34.2».
— счетчики наработки продукта за определенное время – счетчики, используемые, например для подсчета выработки одного исполнительного механизма за определенное время, а также подсчета суммарной выработки. Здесь установлена зависимость, между количеством произведенной продукции и плановым сроком обслуживания (например, заточка ножей станка после тысячи выработанных деталей). Это в основном импульсные счетчики наработки, которые применяются для подсчета количества импульсов, передаваемых от датчиков различного типа, и пересчета этих импульсов в необходимые физические единицы измерения (например, в литры, метры, штуки и т.д.). Импульсным счетчиком является электронный счетчик импульсов — тахометр «ИД 2». Сюда же можно отнести электронный счетчик моточасов «СИМ-05-1-17».
— счетчики наработки электроэнергии – счетчики, устанавливаемые на электростанциях и трансформаторах. Здесь введена зависимость срока проведения обслуживания от количества выработанной электроэнергии. Это такие счетчики, как: «BZ-145» для учета рабочего времени подключенной нагрузки. Сюда же можно отнести счётчик ампер-часов «INT-AH» предназначается для измерения количества электричества, прошедшего во время осаждения покрытия через гальваническую ванну.
Следует отметить, что отмотать назад или обнулить счетчик времени наработки невозможно! Счетчик моточасов не требует обслуживания, и каких-либо особенных знаний или умений для подключения.
- https://amz-group.ru/selhoztehnika/mtz-92.html
- https://vseomtz.ru/spravochnik-traktorista/1-motochas-eto-skolko
- https://shamrin.ru/datchik-motochasov-dlya-mtz/
- https://remnabor.net/shema-pereklyucheniya-peredach-belarus-mtz-92p
- https://traktorspec.ru/traktora/tahometr-traktora-mtz.html
- https://SpecTorg.su/na-pole/pribornaya-panel-mtz-82.html



